Key Advantages of SMT RF Circulators and SMT RF Isolators

Author: Sara

Updated on: 

Keywords: SMT RF circulator, SMT RF isolator, SMT circulator, SMT isolator, SMD RF circulator, SMD RF isolator, surface-mount RF circulator, surface-mount RF isolator, SMT microwave circulator, SMT microwave isolator

 microstrip SMT RF circulator layout

Why SMT RF circulators and SMT RF isolators are becoming the default choice for compact, high-density RF and microwave systems.

In modern RF and microwave design, every millimeter of PCB area matters. As radios move into smaller enclosures and power levels keep climbing, engineers are turning to SMT RF circulators and SMT RF isolators to replace traditional bolt-down or connectorized components.

This article explains the main advantages of surface-mount RF circulators and surface-mount RF isolators, and shows why SMT circulator/isolator solutions are now a key building block in next-generation RF front-ends, phased-array radar, and 5G/6G infrastructure.

  • SMT RF circulator
  • SMT RF isolator
  • SMD RF circulator
  • SMD RF isolator
  • Surface-mount RF circulator
  • Surface-mount RF isolator

1. What Is an SMT RF Circulator/Isolator?

An SMT RF circulator or SMT RF isolator is a ferrite-based, non-reciprocal passive device designed specifically for surface-mount technology. Instead of using screws, waveguide flanges, or coaxial connectors, the device is soldered directly onto PCB pads through a standard SMD reflow process.

Functionally, the behavior is the same as larger RF circulators and isolators: a circulator routes RF power directionally between three ports, while an isolator protects sensitive circuitry by absorbing reflected power. The difference is the form factor: SMT versions are miniaturized, low-profile, and optimized for automated assembly.

2. Ultra-Miniaturized Footprint: Pebble-Sized Power

The most visible advantage of a SMT RF circulator/isolator is its tiny size. Modern SMD ferrite designs can fit into packages comparable to other RF front-end components, shrinking from palm-sized metal blocks down to pebble-sized layouts on the PCB.

Miniaturization of SMT circulators and SMT isolators enables:

  • Higher channel density in T/R modules and phased-array tiles
  • Smaller, lighter enclosures for airborne, UAV, and handheld platforms
  • More freedom in RF routing and front-end partitioning
  • Space to add extra filtering, monitoring, or protection circuits

For designers fighting strict volume and weight budgets, the miniature SMT RF circulator/isolator package is often the only realistic way to integrate non-reciprocal protection without enlarging the entire system.

3. True Surface-Mount Assembly & PCB Integration

A second major benefit of SMT RF circulators and SMT RF isolators is the pure SMT assembly flow. The devices are mounted onto standard copper pads and soldered during reflow just like other SMD components.

Compared with drop-in or coaxial types, a surface-mount RF circulator/isolator offers:

  • No separate screws, fixtures, or mechanical assembly steps
  • No RF connectors to torque or re-work
  • Shorter RF traces between PA, LNA, and antenna switch
  • Lower parasitics, cleaner impedance control, and lower insertion loss

For high-volume production, this means fewer manual operations, less variability, and lower assembly cost. A correctly designed footprint gives the SMT circulator/isolator a robust mechanical anchor and a clean RF transition at the same time.

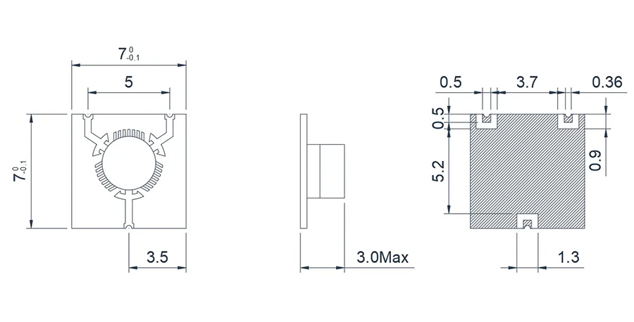
SMT microstrip Y-junction RF circulator layout
Example of an SMT microstrip circulator layout: compact pad design for direct surface-mount integration in X-band and Ku-band RF front-ends.

4. RF Performance in a Tiny Package

Despite their compact size, high-quality SMT RF circulators and SMT RF isolators can deliver performance comparable to larger microstrip or coaxial solutions at the same frequency band.

Typical targets for a well-designed SMT RF circulator/isolator include:

  • Low insertion loss to preserve link budget and PA efficiency
  • High isolation to protect sensitive receiver chains from reflected power
  • Good return loss for clean impedance matching across the working band
  • Stable performance across temperature and operating power range

In many X-band, C-band, and L-band designs, a surface-mount RF circulator or surface-mount RF isolator becomes the default choice for compact front-ends, because it balances performance, size, and manufacturability better than legacy housings.

5. Reliability, Stability & Thermal Path

When a SMT RF isolator is used to protect a high-power amplifier, reliability is critical. The soldered connection between the SMT package and the PCB offers:

  • Excellent vibration resistance for mobile and airborne platforms
  • Predictable thermal path into copper planes and heat spreaders
  • No loose screws or connectors that can drift over time

By combining a solid thermal design and proper PCB copper areas, SMT RF circulators and isolators can dissipate heat efficiently while maintaining ferrite stability and magnet bias conditions. This results in consistent insertion loss, isolation, and phase behavior across the full operating temperature range.

6. Cost, Automation & Supply-Chain Efficiency

From a business perspective, one of the strongest arguments for SMT circulator/isolator solutions is the total cost of ownership. Even when the device itself is a high-performance ferrite component, surface-mount integration can significantly reduce overall system cost.

Key advantages include:

  • Automated pick-and-place and reflow, with no manual RF assembly steps
  • Lower labor cost and fewer production bottlenecks
  • Reduced re-work and improved yield for dense RF modules
  • Simpler logistics with tape-and-reel SMD packaging

For OEMs and ODMs building thousands of RF channels, replacing legacy bolt-down units with SMT RF circulators and SMT RF isolators can unlock a meaningful reduction in assembly time and line-level variability.

7. Typical Applications for SMT RF Circulators & Isolators

Because SMD RF circulators and SMD RF isolators combine small size and solid performance, they are widely used in:

  • Phased-array radar T/R modules and AESA tiles
  • 5G/6G small cells and outdoor RUs
  • Satellite communication terminals and VSAT modems
  • Microwave backhaul and point-to-point radio links
  • Compact RF front-ends in UAVs, drones, and mobile platforms
  • Test & measurement instruments with embedded microwave paths

In each of these cases, a compact surface-mount RF circulator/isolator removes the need for bulky mechanical housings while still providing non-reciprocal protection and isolation where it matters most.

8. SMT vs Drop-In, Microstrip & Coaxial Circulators/Isolators

Drop-in, microstrip, and coaxial RF circulators/isolators are still widely used, especially at very high power levels or in legacy platforms. However, for many new designs, SMT RF circulator/isolator technology provides a more attractive trade-off.

In summary:

  • Drop-in devices – good for moderate power and PCB integration, but require screws and manual assembly.
  • Coaxial devices – convenient for cabled systems and test setups, but too large for dense modules.
  • Microstrip devices – can be compact, but often need careful housing, tuning, and assembly.
  • SMT RF circulators/isolators – optimized for automated assembly, small size, and scalable production.

For high-volume, small-form-factor products, the SMT approach often becomes the default choice, especially when combined with modern high-power ferrite and low-loss PCB stack-ups.

9. FAQ: SMT RF Circulators & SMT RF Isolators

Q1: What is the main advantage of an SMT RF circulator/isolator?

The main advantage is the surface-mount form factor. An SMT RF circulator or SMT RF isolator solders directly to the PCB, enabling automated assembly, reduced footprint, and shorter RF routing compared with bolt-down or connectorized devices.

Q2: When should I use an SMT RF circulator instead of an SMT RF isolator?

Use an SMT RF isolator when you only need one-way protection, typically between a power amplifier and the antenna or filter. Choose an SMT RF circulator when you must route power between multiple ports, such as PA → Antenna → LNA in a compact duplexing or T/R module topology.

Q3: Can SMT RF circulators and SMT RF isolators handle high power?

Yes, many surface-mount RF circulators and isolators are designed for substantial CW and peak power levels, provided that PCB layout, heat-spreading copper, and cooling are engineered correctly. Always compare the device's specified power rating with your system's worst-case VSWR and duty cycle.

Q4: Do SMT RF circulators/isolators complicate PCB design?

They require careful footprint and stack-up design, but they actually simplify the overall layout by removing coaxial connectors and mechanical fasteners. With controlled-impedance traces, proper grounding, and thermal vias, an SMT RF circulator/isolator integrates cleanly into modern RF PCBs.

Looking for SMT RF circulator/isolator options for your next design?
Share your target frequency band, power level, and footprint constraints with our RF team. We can help match a suitable SMT RF circulator or SMT RF isolator solution and support custom development for demanding applications.

Contact: [email protected]

About the Author

Sara

HzBeat Editorial Content Team

Sara is a Brand Specialist at Hzbeat, focusing on RF & microwave industry communications. She transforms complex technologies into accessible insights, helping global readers understand the value of circulators, isolators, and other key components.