Home/ Drop-in Circulator/ Typical Drop-in Circulator
Typical Drop-in Circulator
Frequency up to 40GHz.
- Typical Drop-in Circulator is a fundamental component in RF and microwave systems, providing essential signal routing and isolation.
- Its drop-in design allows for straightforward integration into various communication systems, radar systems, and test equipment. The circulator's robust construction and reliable performance ensure efficient signal transmission while safeguarding sensitive components from potential damage.
- With a focus on high-quality materials and precision engineering, the Typical Drop-in Circulator delivers exceptional performance and reliability in demanding RF and microwave applications.
Key Features & Advantages
- Low Insertion Loss: preserves system gain; improves receiver sensitivity.
- High Isolation: protects LNA and sensitive components from reflected power.
- Wideband Availability: 10–20% bandwidth options; narrowband variants for tighter masks.
- Thermal & Environmental Robustness: qualified for −55℃ to +85℃; vibration and humidity options.
- Flexible Directions: CW or CCW; supports different RF chain orientations.
- Custom Footprints & Ports: pin length, pad layout, plating, and grounding schemes can be tailored to your stack‑up.
- Manufacturing Consistency: tight tolerance process and RF testing ensure batch‑to‑batch repeatability.
Typical Applications
- High-Power Communication Base Stations: Serves as a core isolator at the transmitter output, protecting expensive power amplifier tubes from reflected energy due to antenna mismatch.
- Military & Avionics Systems: Used for high-power transmit-receive switching in radar and electronic warfare systems, requiring extreme environmental reliability and power capacity.
- Broadcast Transmitters: Employed in TV/radio high-power transmitters for signal routing and isolation.
- Microwave Relay Systems: Used for signal separation and protection in long-distance signal transmission.
- Research & Industrial Equipment: Such as particle accelerators, plasma generators, and other equipment handling high-power RF signals.
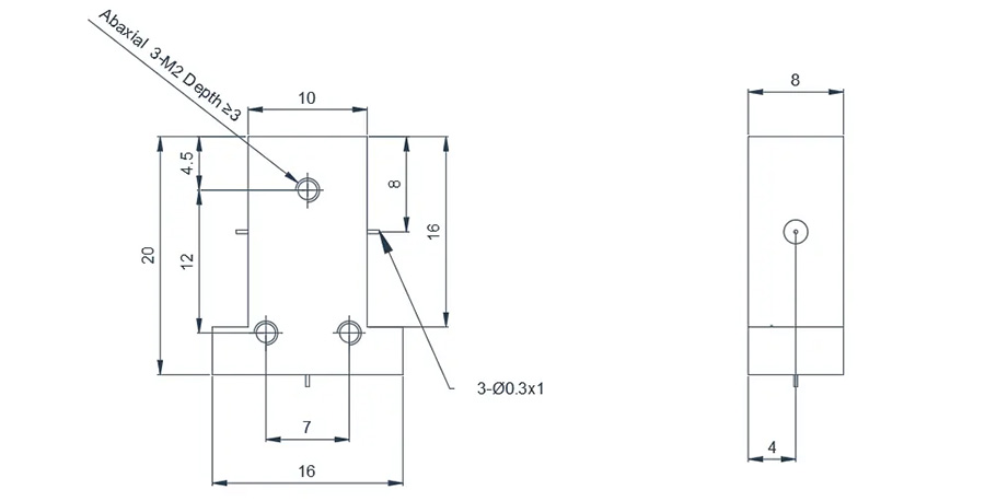
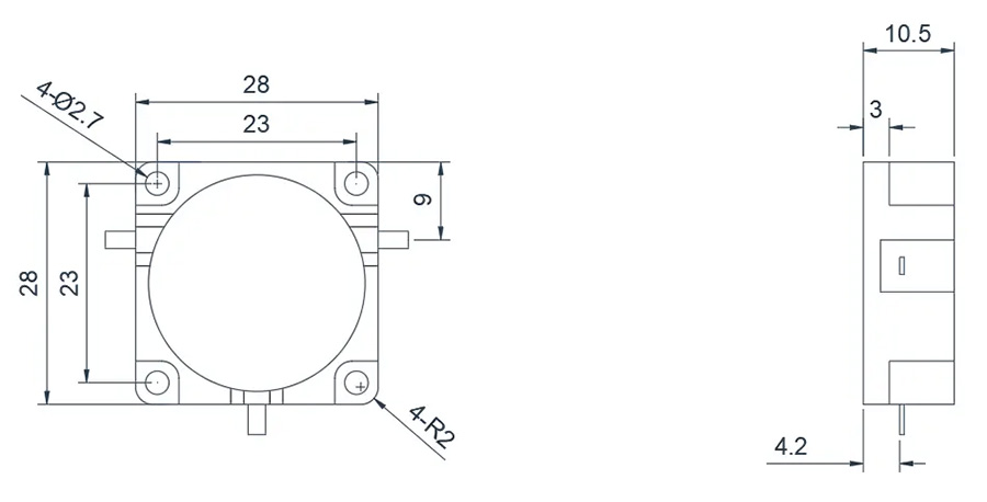
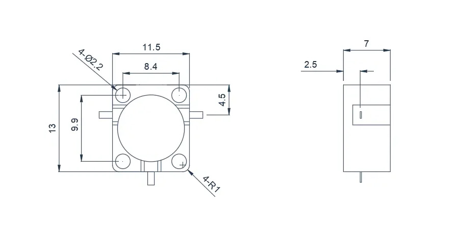
Electrical Performance Table and Product Appearance
0.05~0.3GHz Typical Drop-in Circulator
Product Overview
Here are commonly used products of Drop-in Circulator. This product covers the VHF band range with a relative bandwidth of up to 10~20%. Dimensions and frequency bands can be customized based on your requirements.
Model
Frequency(GHz)
BW Max
Insertion loss(dB) Max
Isolation(dB)Min
VSWR Max
operating temperature(℃ )
PK/CW/RP(Watt)
Direction
HDCTC50T300M⬇
0.05~0.3
20%
0.5
20
1.25
-55~+85℃
1000/100
Clockwise
HDCTD50T300M⬇
0.05~0.3
20%
0.5
20
1.25
-55~+85℃
1000/100
Counter Clockwise
0.15~0.4GHz Typical Drop-in Circulator
Product Overview
Here are commonly used products of Drop-in Circulator. This product covers the VHF band range with a relative bandwidth of up to 10~20%. Dimensions and frequency bands can be customized based on your requirements.
Model
Frequency(GHz)
BW Max
Insertion loss(dB) Max
Isolation(dB)Min
VSWR Max
operating temperature(℃ )
PK/CW/RP(Watt)
Direction
HDCTC150T400M⬇
0.15~0.4
20%
0.4
20
1.25
-55~+85℃
1000/100
Clockwise
HDCTD150T400M⬇
0.15~0.4
20%
0.4
20
1.25
-55~+85℃
1000/100
Counter Clockwise
0.25~0.6GHz Typical Drop-in Circulator
Product Overview
Here are commonly used products of Drop-in Circulator. This product covers the VHF~UHF band range with a relative bandwidth of up to 10~20%. Dimensions and frequency bands can be customized based on your requirements.
Model
Frequency(GHz)
BW Max
Insertion loss(dB) Max
Isolation(dB)Min
VSWR Max
operating temperature(℃ )
PK/CW/RP(Watt)
Direction
HDCTC250T600M⬇
0.25~0.6
20%
0.4
20
1.25
-55~+85℃
1000/100
Clockwise
HDCTD250T600M⬇
0.25~0.6
20%
0.4
20
1.25
-55~+85℃
1000/100
Counter Clockwise
0.45~1.0GHz Typical Drop-in Circulator
Product Overview
Here are commonly used products of Drop-in Circulator. This product covers the UHF band range with a relative bandwidth of up to 10~20%. Dimensions and frequency bands can be customized based on your requirements.
Model
Frequency(GHz)
BW Max
Insertion loss(dB) Max
Isolation(dB)Min
VSWR Max
operating temperature(℃ )
PK/CW/RP(Watt)
Direction
HDCTC450T1000M⬇
0.45~1.0
20%
0.4
20
1.25
-55~+85℃
1000/100
Clockwise
HDCTD450T1000M⬇
0.45~1.0
20%
0.4
20
1.25
-55~+85℃
1000/100
Counter Clockwise
0.8~3.4GHz Typical Drop-in Circulator
Product Overview
Here are commonly used products of Drop-in Circulator. This product covers the UHF band range with a relative bandwidth of up to 10~20%. Dimensions and frequency bands can be customized based on your requirements.
Model
Frequency(GHz)
BW Max
Insertion loss(dB) Max
Isolation(dB)Min
VSWR Max
operating temperature(℃ )
PK/CW/RP(Watt)
Direction
HDCTC08T34G⬇
0.8~3.4
20%
0.4
20
1.25
-55~+85℃
500/100
Clockwise
HDCTD08T34G⬇
0.8~3.4
20%
0.4
20
1.25
-55~+85℃
500/100
Counter Clockwise
1.0~3.4GHz Typical Drop-in Circulator
Product Overview
Here are commonly used products of Drop-in Circulator. This product covers the L~S band range with a relative bandwidth of up to 15~10%. Dimensions and frequency bands can be customized based on your requirements.
Model
Frequency(GHz)
BW Max
Insertion loss(dB) Max
Isolation(dB)Min
VSWR Max
operating temperature(℃ )
PK/CW/RP(Watt)
Direction
HDCTC10T34G⬇
1.0~3.4
15%
0.4
20
1.25
-55~+85℃
500/100
Clockwise
HDCTD10T34G⬇
1.0~3.4
15%
0.4
20
1.25
-55~+85℃
500/100
Counter Clockwise
1.2~1.4GHz Typical Drop-in Circulator
Product Overview
Here are commonly used products of Drop-in Circulator. This product covers the L band range with a relative bandwidth of up to 15%. Dimensions and frequency bands can be customized based on your requirements.
Model
Frequency(GHz)
BW Max
Insertion loss(dB) Max
Isolation(dB)Min
VSWR Max
operating temperature(℃ )
PK/CW/RP(Watt)
Direction
HDCTC12T14G⬇
1.2~1.4
FULL
0.5
20
1.2
-55~+85℃
-/100
Clockwise
HDCTD12T14G⬇
1.2~1.4
FULL
0.5
20
1.2
-55~+85℃
-/100
Counter Clockwise
1.8~3.4GHz Typical Drop-in Circulator
Product Overview
Here are commonly used products of Drop-in Circulator. This product covers the L~S band range with a relative bandwidth of up to 5~10%. Dimensions and frequency bands can be customized based on your requirements.
Model
Frequency(GHz)
BW Max
Insertion loss(dB) Max
Isolation(dB)Min
VSWR Max
operating temperature(℃ )
PK/CW/RP(Watt)
Direction
HDCTC18T34G⬇
1.8~3.4
10%
0.4
20
1.25
-55~+85℃
500/100
Clockwise
HDCTD18T34G⬇
1.8~3.4
10%
0.4
20
1.25
-55~+85℃
500/100
Counter Clockwise
2.0~3.4GHz Typical Drop-in Circulator
Product Overview
Here are commonly used products of Drop-in Circulator. This product covers the S band range with a relative bandwidth of up to 5~10%. Dimensions and frequency bands can be customized based on your requirements.
Model
Frequency(GHz)
BW Max
Insertion loss(dB) Max
Isolation(dB)Min
VSWR Max
operating temperature(℃ )
PK/CW/RP(Watt)
Direction
HDCTC20T34G⬇
2.0~3.4
10%
0.5
20
1.25
-55~+85℃
200/50
Clockwise
HDCTD20T34G⬇
2.0~3.4
10%
0.5
20
1.25
-55~+85℃
200/50
Counter Clockwise
2.6~3.8GHz Typical Drop-in Circulator
Product Overview
Here are commonly used products of Drop-in Circulator. This product covers the S band range with a relative bandwidth of up to 5~10%. Dimensions and frequency bands can be customized based on your requirements.
Model
Frequency(GHz)
BW Max
Insertion loss(dB) Max
Isolation(dB)Min
VSWR Max
operating temperature(℃ )
PK/CW/RP(Watt)
Direction
HDCTC26T38G⬇
2.6~3.8
10%
0.5
20
1.25
-55~+85℃
200/50
Clockwise
HDCTD26T38G⬇
2.6~3.8
10%
0.5
20
1.25
-55~+85℃
200/50
Counter Clockwise
2.5~5.0GHz Typical Drop-in Circulator
Product Overview
Here are commonly used products of Drop-in Circulator. This product covers the S~C band range with a relative bandwidth of up to 5~10%. Dimensions and frequency bands can be customized based on your requirements.
Model
Frequency(GHz)
BW Max
Insertion loss(dB) Max
Isolation(dB)Min
VSWR Max
operating temperature(℃ )
PK/CW/RP(Watt)
Direction
HDCTC25T50G⬇
2.5~5.0
10%
0.4
20
1.25
-55~+85℃
200/50
Clockwise
HDCTD25T50G⬇
2.5~5.0
10%
0.4
20
1.25
-55~+85℃
200/50
Counter Clockwise
4.0~8.0GHz Typical Drop-in Circulator
Product Overview
Here are commonly used products of Drop-in Circulator. This product covers the C band range with a relative bandwidth of up to 5~10%. Dimensions and frequency bands can be customized based on your requirements.
Model
Frequency(GHz)
BW Max
Insertion loss(dB) Max
Isolation(dB)Min
VSWR Max
operating temperature(℃ )
PK/CW/RP(Watt)
Direction
HDCTC40T80G⬇
4.0~8.0
10%
0.4
20
1.25
-55~+85℃
200/50
Clockwise
HDCTD40T80G⬇
4.0~8.0
10%
0.4
20
1.25
-55~+85℃
200/50
Counter Clockwise
5.0~6.0GHz Typical Drop-in Circulator
Product Overview
Here are commonly used products of Drop-in Circulator. This product covers the C band range with a relative bandwidth of up to 18%. Dimensions and frequency bands can be customized based on your requirements.
Model
Frequency(GHz)
BW Max
Insertion loss(dB) Max
Isolation(dB)Min
VSWR Max
operating temperature(℃ )
PK/CW/RP(Watt)
Direction
HDCTC50T60G⬇
5.0~6.0
FULL
0.4
20
1.2
-55~+85℃
-/50
Clockwise
HDCTD50T60G⬇
5.0~6.0
FULL
0.4
20
1.2
-55~+85℃
-/50
Counter Clockwise
7.0~18.0GHz Typical Drop-in Circulator
Product Overview
Here are commonly used products of Drop-in Circulator. This product covers the C~Ku band range with a relative bandwidth of up to 5~10%. Dimensions and frequency bands can be customized based on your requirements.
Model
Frequency(GHz)
BW Max
Insertion loss(dB) Max
Isolation(dB)Min
VSWR Max
operating temperature(℃ )
PK/CW/RP(Watt)
Direction
HDCTC70T180G⬇
7.0~18.0
10%
0.4
20
1.25
-55~+85℃
200/20
Clockwise
HDCTD70T180G⬇
7.0~18.0
10%
0.4
20
1.25
-55~+85℃
200/20
Counter Clockwise
18.0~40.0GHz Typical Drop-in Circulator
Product Overview
Here are commonly used products of Drop-in Circulator. This product covers the K~Ka band range with a relative bandwidth of up to 10%. Dimensions and frequency bands can be customized based on your requirements.
Model
Frequency(GHz)
BW Max
Insertion loss(dB) Max
Isolation(dB)Min
VSWR Max
operating temperature(℃ )
PK/CW/RP(Watt)
Direction
HDCTC180T400G⬇
18.0~40.0
10%
0.6
18
1.35
-55~+85℃
20/5
Clockwise
HDCTD180T400G⬇
18.0~40.0
10%
0.6
18
1.35
-55~+85℃
20/5
Counter Clockwise
About HzBeat
HzBeat is a leading RF component manufacturer specializing in RF circulators and isolators, as a global supplier of RF circulators and isolators (20MHz–200GHz), we providing microstrip, drop-in, coaxial, and waveguide solutions for communication systems, radar, satellite, and medical imaging.
For detailed technical documentation, sample requests, or customization needs, please do not hesitate to contact us. — we respond within 24 hours to ensure you get precise solutions for your design.
Customization & Selection Guide
- Operating Band:Ensure it covers all frequencies required by your system.
- Power Handling Capacity:Select based on your system's transmit power (average and peak), allowing a certain margin.
- Performance Requirements:Define specific requirements for Insertion Loss, Isolation, and VSWR/Return Loss.
- Environmental Conditions:Consider operating temperature range, vibration, humidity, etc.
- Cost & Delivery:Balance cost and project timeline while meeting performance requirements.
Why Choose Our Product
- Profound Technical Expertise:We have over 18 years of R&D experience in ferrite materials and microwave magnetics.
- Fully Automated Production Lines:Ensure consistent excellence and reliability in every unit.
- Professional Application Support:Our engineering team provides timely technical selection, customization, and failure analysis services.
- Competitive Pricing & Lead Times:Economies of scale from mass production enable us to respond quickly to your orders.
Related Products
Questions? Feel Free to Reach Out Via Message.
Tell us frequency band, target IL/Isolation/VSWR, power level and timeline — we’ll match the best topology and deliver S-parameters.We will contact you within 24 hours.
Product Overview
Here are commonly used products of Drop-in Circulator. This product covers the VHF band range with a relative bandwidth of up to 10~20%. Dimensions and frequency bands can be customized based on your requirements.
| Model | Frequency(GHz) | BW Max | Insertion loss(dB) Max | Isolation(dB)Min | VSWR Max | operating temperature(℃ ) | PK/CW/RP(Watt) | Direction |
|---|---|---|---|---|---|---|---|---|
| HDCTC50T300M⬇ | 0.05~0.3 | 20% | 0.5 | 20 | 1.25 | -55~+85℃ | 1000/100 | Clockwise |
| HDCTD50T300M⬇ | 0.05~0.3 | 20% | 0.5 | 20 | 1.25 | -55~+85℃ | 1000/100 | Counter Clockwise |
0.15~0.4GHz Typical Drop-in Circulator
Product Overview
Here are commonly used products of Drop-in Circulator. This product covers the VHF band range with a relative bandwidth of up to 10~20%. Dimensions and frequency bands can be customized based on your requirements.
Model
Frequency(GHz)
BW Max
Insertion loss(dB) Max
Isolation(dB)Min
VSWR Max
operating temperature(℃ )
PK/CW/RP(Watt)
Direction
HDCTC150T400M⬇
0.15~0.4
20%
0.4
20
1.25
-55~+85℃
1000/100
Clockwise
HDCTD150T400M⬇
0.15~0.4
20%
0.4
20
1.25
-55~+85℃
1000/100
Counter Clockwise
0.25~0.6GHz Typical Drop-in Circulator
Product Overview
Here are commonly used products of Drop-in Circulator. This product covers the VHF~UHF band range with a relative bandwidth of up to 10~20%. Dimensions and frequency bands can be customized based on your requirements.
Model
Frequency(GHz)
BW Max
Insertion loss(dB) Max
Isolation(dB)Min
VSWR Max
operating temperature(℃ )
PK/CW/RP(Watt)
Direction
HDCTC250T600M⬇
0.25~0.6
20%
0.4
20
1.25
-55~+85℃
1000/100
Clockwise
HDCTD250T600M⬇
0.25~0.6
20%
0.4
20
1.25
-55~+85℃
1000/100
Counter Clockwise
0.45~1.0GHz Typical Drop-in Circulator
Product Overview
Here are commonly used products of Drop-in Circulator. This product covers the UHF band range with a relative bandwidth of up to 10~20%. Dimensions and frequency bands can be customized based on your requirements.
Model
Frequency(GHz)
BW Max
Insertion loss(dB) Max
Isolation(dB)Min
VSWR Max
operating temperature(℃ )
PK/CW/RP(Watt)
Direction
HDCTC450T1000M⬇
0.45~1.0
20%
0.4
20
1.25
-55~+85℃
1000/100
Clockwise
HDCTD450T1000M⬇
0.45~1.0
20%
0.4
20
1.25
-55~+85℃
1000/100
Counter Clockwise
0.8~3.4GHz Typical Drop-in Circulator
Product Overview
Here are commonly used products of Drop-in Circulator. This product covers the UHF band range with a relative bandwidth of up to 10~20%. Dimensions and frequency bands can be customized based on your requirements.
Model
Frequency(GHz)
BW Max
Insertion loss(dB) Max
Isolation(dB)Min
VSWR Max
operating temperature(℃ )
PK/CW/RP(Watt)
Direction
HDCTC08T34G⬇
0.8~3.4
20%
0.4
20
1.25
-55~+85℃
500/100
Clockwise
HDCTD08T34G⬇
0.8~3.4
20%
0.4
20
1.25
-55~+85℃
500/100
Counter Clockwise
1.0~3.4GHz Typical Drop-in Circulator
Product Overview
Here are commonly used products of Drop-in Circulator. This product covers the L~S band range with a relative bandwidth of up to 15~10%. Dimensions and frequency bands can be customized based on your requirements.
Model
Frequency(GHz)
BW Max
Insertion loss(dB) Max
Isolation(dB)Min
VSWR Max
operating temperature(℃ )
PK/CW/RP(Watt)
Direction
HDCTC10T34G⬇
1.0~3.4
15%
0.4
20
1.25
-55~+85℃
500/100
Clockwise
HDCTD10T34G⬇
1.0~3.4
15%
0.4
20
1.25
-55~+85℃
500/100
Counter Clockwise
1.2~1.4GHz Typical Drop-in Circulator
Product Overview
Here are commonly used products of Drop-in Circulator. This product covers the L band range with a relative bandwidth of up to 15%. Dimensions and frequency bands can be customized based on your requirements.
Model
Frequency(GHz)
BW Max
Insertion loss(dB) Max
Isolation(dB)Min
VSWR Max
operating temperature(℃ )
PK/CW/RP(Watt)
Direction
HDCTC12T14G⬇
1.2~1.4
FULL
0.5
20
1.2
-55~+85℃
-/100
Clockwise
HDCTD12T14G⬇
1.2~1.4
FULL
0.5
20
1.2
-55~+85℃
-/100
Counter Clockwise
1.8~3.4GHz Typical Drop-in Circulator
Product Overview
Here are commonly used products of Drop-in Circulator. This product covers the L~S band range with a relative bandwidth of up to 5~10%. Dimensions and frequency bands can be customized based on your requirements.
Model
Frequency(GHz)
BW Max
Insertion loss(dB) Max
Isolation(dB)Min
VSWR Max
operating temperature(℃ )
PK/CW/RP(Watt)
Direction
HDCTC18T34G⬇
1.8~3.4
10%
0.4
20
1.25
-55~+85℃
500/100
Clockwise
HDCTD18T34G⬇
1.8~3.4
10%
0.4
20
1.25
-55~+85℃
500/100
Counter Clockwise
2.0~3.4GHz Typical Drop-in Circulator
Product Overview
Here are commonly used products of Drop-in Circulator. This product covers the S band range with a relative bandwidth of up to 5~10%. Dimensions and frequency bands can be customized based on your requirements.
Model
Frequency(GHz)
BW Max
Insertion loss(dB) Max
Isolation(dB)Min
VSWR Max
operating temperature(℃ )
PK/CW/RP(Watt)
Direction
HDCTC20T34G⬇
2.0~3.4
10%
0.5
20
1.25
-55~+85℃
200/50
Clockwise
HDCTD20T34G⬇
2.0~3.4
10%
0.5
20
1.25
-55~+85℃
200/50
Counter Clockwise
2.6~3.8GHz Typical Drop-in Circulator
Product Overview
Here are commonly used products of Drop-in Circulator. This product covers the S band range with a relative bandwidth of up to 5~10%. Dimensions and frequency bands can be customized based on your requirements.
Model
Frequency(GHz)
BW Max
Insertion loss(dB) Max
Isolation(dB)Min
VSWR Max
operating temperature(℃ )
PK/CW/RP(Watt)
Direction
HDCTC26T38G⬇
2.6~3.8
10%
0.5
20
1.25
-55~+85℃
200/50
Clockwise
HDCTD26T38G⬇
2.6~3.8
10%
0.5
20
1.25
-55~+85℃
200/50
Counter Clockwise
2.5~5.0GHz Typical Drop-in Circulator
Product Overview
Here are commonly used products of Drop-in Circulator. This product covers the S~C band range with a relative bandwidth of up to 5~10%. Dimensions and frequency bands can be customized based on your requirements.
Model
Frequency(GHz)
BW Max
Insertion loss(dB) Max
Isolation(dB)Min
VSWR Max
operating temperature(℃ )
PK/CW/RP(Watt)
Direction
HDCTC25T50G⬇
2.5~5.0
10%
0.4
20
1.25
-55~+85℃
200/50
Clockwise
HDCTD25T50G⬇
2.5~5.0
10%
0.4
20
1.25
-55~+85℃
200/50
Counter Clockwise
4.0~8.0GHz Typical Drop-in Circulator
Product Overview
Here are commonly used products of Drop-in Circulator. This product covers the C band range with a relative bandwidth of up to 5~10%. Dimensions and frequency bands can be customized based on your requirements.
Model
Frequency(GHz)
BW Max
Insertion loss(dB) Max
Isolation(dB)Min
VSWR Max
operating temperature(℃ )
PK/CW/RP(Watt)
Direction
HDCTC40T80G⬇
4.0~8.0
10%
0.4
20
1.25
-55~+85℃
200/50
Clockwise
HDCTD40T80G⬇
4.0~8.0
10%
0.4
20
1.25
-55~+85℃
200/50
Counter Clockwise
5.0~6.0GHz Typical Drop-in Circulator
Product Overview
Here are commonly used products of Drop-in Circulator. This product covers the C band range with a relative bandwidth of up to 18%. Dimensions and frequency bands can be customized based on your requirements.
Model
Frequency(GHz)
BW Max
Insertion loss(dB) Max
Isolation(dB)Min
VSWR Max
operating temperature(℃ )
PK/CW/RP(Watt)
Direction
HDCTC50T60G⬇
5.0~6.0
FULL
0.4
20
1.2
-55~+85℃
-/50
Clockwise
HDCTD50T60G⬇
5.0~6.0
FULL
0.4
20
1.2
-55~+85℃
-/50
Counter Clockwise
7.0~18.0GHz Typical Drop-in Circulator
Product Overview
Here are commonly used products of Drop-in Circulator. This product covers the C~Ku band range with a relative bandwidth of up to 5~10%. Dimensions and frequency bands can be customized based on your requirements.
Model
Frequency(GHz)
BW Max
Insertion loss(dB) Max
Isolation(dB)Min
VSWR Max
operating temperature(℃ )
PK/CW/RP(Watt)
Direction
HDCTC70T180G⬇
7.0~18.0
10%
0.4
20
1.25
-55~+85℃
200/20
Clockwise
HDCTD70T180G⬇
7.0~18.0
10%
0.4
20
1.25
-55~+85℃
200/20
Counter Clockwise
18.0~40.0GHz Typical Drop-in Circulator
Product Overview
Here are commonly used products of Drop-in Circulator. This product covers the K~Ka band range with a relative bandwidth of up to 10%. Dimensions and frequency bands can be customized based on your requirements.
Model
Frequency(GHz)
BW Max
Insertion loss(dB) Max
Isolation(dB)Min
VSWR Max
operating temperature(℃ )
PK/CW/RP(Watt)
Direction
HDCTC180T400G⬇
18.0~40.0
10%
0.6
18
1.35
-55~+85℃
20/5
Clockwise
HDCTD180T400G⬇
18.0~40.0
10%
0.6
18
1.35
-55~+85℃
20/5
Counter Clockwise
About HzBeat
HzBeat is a leading RF component manufacturer specializing in RF circulators and isolators, as a global supplier of RF circulators and isolators (20MHz–200GHz), we providing microstrip, drop-in, coaxial, and waveguide solutions for communication systems, radar, satellite, and medical imaging.
For detailed technical documentation, sample requests, or customization needs, please do not hesitate to contact us. — we respond within 24 hours to ensure you get precise solutions for your design.
Customization & Selection Guide
- Operating Band:Ensure it covers all frequencies required by your system.
- Power Handling Capacity:Select based on your system's transmit power (average and peak), allowing a certain margin.
- Performance Requirements:Define specific requirements for Insertion Loss, Isolation, and VSWR/Return Loss.
- Environmental Conditions:Consider operating temperature range, vibration, humidity, etc.
- Cost & Delivery:Balance cost and project timeline while meeting performance requirements.
Why Choose Our Product
- Profound Technical Expertise:We have over 18 years of R&D experience in ferrite materials and microwave magnetics.
- Fully Automated Production Lines:Ensure consistent excellence and reliability in every unit.
- Professional Application Support:Our engineering team provides timely technical selection, customization, and failure analysis services.
- Competitive Pricing & Lead Times:Economies of scale from mass production enable us to respond quickly to your orders.
Related Products
Questions? Feel Free to Reach Out Via Message.
Tell us frequency band, target IL/Isolation/VSWR, power level and timeline — we’ll match the best topology and deliver S-parameters.We will contact you within 24 hours.
Product Overview
Here are commonly used products of Drop-in Circulator. This product covers the VHF band range with a relative bandwidth of up to 10~20%. Dimensions and frequency bands can be customized based on your requirements.
| Model | Frequency(GHz) | BW Max | Insertion loss(dB) Max | Isolation(dB)Min | VSWR Max | operating temperature(℃ ) | PK/CW/RP(Watt) | Direction |
|---|---|---|---|---|---|---|---|---|
| HDCTC150T400M⬇ | 0.15~0.4 | 20% | 0.4 | 20 | 1.25 | -55~+85℃ | 1000/100 | Clockwise |
| HDCTD150T400M⬇ | 0.15~0.4 | 20% | 0.4 | 20 | 1.25 | -55~+85℃ | 1000/100 | Counter Clockwise |
0.25~0.6GHz Typical Drop-in Circulator
Product Overview
Here are commonly used products of Drop-in Circulator. This product covers the VHF~UHF band range with a relative bandwidth of up to 10~20%. Dimensions and frequency bands can be customized based on your requirements.
Model
Frequency(GHz)
BW Max
Insertion loss(dB) Max
Isolation(dB)Min
VSWR Max
operating temperature(℃ )
PK/CW/RP(Watt)
Direction
HDCTC250T600M⬇
0.25~0.6
20%
0.4
20
1.25
-55~+85℃
1000/100
Clockwise
HDCTD250T600M⬇
0.25~0.6
20%
0.4
20
1.25
-55~+85℃
1000/100
Counter Clockwise
0.45~1.0GHz Typical Drop-in Circulator
Product Overview
Here are commonly used products of Drop-in Circulator. This product covers the UHF band range with a relative bandwidth of up to 10~20%. Dimensions and frequency bands can be customized based on your requirements.
Model
Frequency(GHz)
BW Max
Insertion loss(dB) Max
Isolation(dB)Min
VSWR Max
operating temperature(℃ )
PK/CW/RP(Watt)
Direction
HDCTC450T1000M⬇
0.45~1.0
20%
0.4
20
1.25
-55~+85℃
1000/100
Clockwise
HDCTD450T1000M⬇
0.45~1.0
20%
0.4
20
1.25
-55~+85℃
1000/100
Counter Clockwise
0.8~3.4GHz Typical Drop-in Circulator
Product Overview
Here are commonly used products of Drop-in Circulator. This product covers the UHF band range with a relative bandwidth of up to 10~20%. Dimensions and frequency bands can be customized based on your requirements.
Model
Frequency(GHz)
BW Max
Insertion loss(dB) Max
Isolation(dB)Min
VSWR Max
operating temperature(℃ )
PK/CW/RP(Watt)
Direction
HDCTC08T34G⬇
0.8~3.4
20%
0.4
20
1.25
-55~+85℃
500/100
Clockwise
HDCTD08T34G⬇
0.8~3.4
20%
0.4
20
1.25
-55~+85℃
500/100
Counter Clockwise
1.0~3.4GHz Typical Drop-in Circulator
Product Overview
Here are commonly used products of Drop-in Circulator. This product covers the L~S band range with a relative bandwidth of up to 15~10%. Dimensions and frequency bands can be customized based on your requirements.
Model
Frequency(GHz)
BW Max
Insertion loss(dB) Max
Isolation(dB)Min
VSWR Max
operating temperature(℃ )
PK/CW/RP(Watt)
Direction
HDCTC10T34G⬇
1.0~3.4
15%
0.4
20
1.25
-55~+85℃
500/100
Clockwise
HDCTD10T34G⬇
1.0~3.4
15%
0.4
20
1.25
-55~+85℃
500/100
Counter Clockwise
1.2~1.4GHz Typical Drop-in Circulator
Product Overview
Here are commonly used products of Drop-in Circulator. This product covers the L band range with a relative bandwidth of up to 15%. Dimensions and frequency bands can be customized based on your requirements.
Model
Frequency(GHz)
BW Max
Insertion loss(dB) Max
Isolation(dB)Min
VSWR Max
operating temperature(℃ )
PK/CW/RP(Watt)
Direction
HDCTC12T14G⬇
1.2~1.4
FULL
0.5
20
1.2
-55~+85℃
-/100
Clockwise
HDCTD12T14G⬇
1.2~1.4
FULL
0.5
20
1.2
-55~+85℃
-/100
Counter Clockwise
1.8~3.4GHz Typical Drop-in Circulator
Product Overview
Here are commonly used products of Drop-in Circulator. This product covers the L~S band range with a relative bandwidth of up to 5~10%. Dimensions and frequency bands can be customized based on your requirements.
Model
Frequency(GHz)
BW Max
Insertion loss(dB) Max
Isolation(dB)Min
VSWR Max
operating temperature(℃ )
PK/CW/RP(Watt)
Direction
HDCTC18T34G⬇
1.8~3.4
10%
0.4
20
1.25
-55~+85℃
500/100
Clockwise
HDCTD18T34G⬇
1.8~3.4
10%
0.4
20
1.25
-55~+85℃
500/100
Counter Clockwise
2.0~3.4GHz Typical Drop-in Circulator
Product Overview
Here are commonly used products of Drop-in Circulator. This product covers the S band range with a relative bandwidth of up to 5~10%. Dimensions and frequency bands can be customized based on your requirements.
Model
Frequency(GHz)
BW Max
Insertion loss(dB) Max
Isolation(dB)Min
VSWR Max
operating temperature(℃ )
PK/CW/RP(Watt)
Direction
HDCTC20T34G⬇
2.0~3.4
10%
0.5
20
1.25
-55~+85℃
200/50
Clockwise
HDCTD20T34G⬇
2.0~3.4
10%
0.5
20
1.25
-55~+85℃
200/50
Counter Clockwise
2.6~3.8GHz Typical Drop-in Circulator
Product Overview
Here are commonly used products of Drop-in Circulator. This product covers the S band range with a relative bandwidth of up to 5~10%. Dimensions and frequency bands can be customized based on your requirements.
Model
Frequency(GHz)
BW Max
Insertion loss(dB) Max
Isolation(dB)Min
VSWR Max
operating temperature(℃ )
PK/CW/RP(Watt)
Direction
HDCTC26T38G⬇
2.6~3.8
10%
0.5
20
1.25
-55~+85℃
200/50
Clockwise
HDCTD26T38G⬇
2.6~3.8
10%
0.5
20
1.25
-55~+85℃
200/50
Counter Clockwise
2.5~5.0GHz Typical Drop-in Circulator
Product Overview
Here are commonly used products of Drop-in Circulator. This product covers the S~C band range with a relative bandwidth of up to 5~10%. Dimensions and frequency bands can be customized based on your requirements.
Model
Frequency(GHz)
BW Max
Insertion loss(dB) Max
Isolation(dB)Min
VSWR Max
operating temperature(℃ )
PK/CW/RP(Watt)
Direction
HDCTC25T50G⬇
2.5~5.0
10%
0.4
20
1.25
-55~+85℃
200/50
Clockwise
HDCTD25T50G⬇
2.5~5.0
10%
0.4
20
1.25
-55~+85℃
200/50
Counter Clockwise
4.0~8.0GHz Typical Drop-in Circulator
Product Overview
Here are commonly used products of Drop-in Circulator. This product covers the C band range with a relative bandwidth of up to 5~10%. Dimensions and frequency bands can be customized based on your requirements.
Model
Frequency(GHz)
BW Max
Insertion loss(dB) Max
Isolation(dB)Min
VSWR Max
operating temperature(℃ )
PK/CW/RP(Watt)
Direction
HDCTC40T80G⬇
4.0~8.0
10%
0.4
20
1.25
-55~+85℃
200/50
Clockwise
HDCTD40T80G⬇
4.0~8.0
10%
0.4
20
1.25
-55~+85℃
200/50
Counter Clockwise
5.0~6.0GHz Typical Drop-in Circulator
Product Overview
Here are commonly used products of Drop-in Circulator. This product covers the C band range with a relative bandwidth of up to 18%. Dimensions and frequency bands can be customized based on your requirements.
Model
Frequency(GHz)
BW Max
Insertion loss(dB) Max
Isolation(dB)Min
VSWR Max
operating temperature(℃ )
PK/CW/RP(Watt)
Direction
HDCTC50T60G⬇
5.0~6.0
FULL
0.4
20
1.2
-55~+85℃
-/50
Clockwise
HDCTD50T60G⬇
5.0~6.0
FULL
0.4
20
1.2
-55~+85℃
-/50
Counter Clockwise
7.0~18.0GHz Typical Drop-in Circulator
Product Overview
Here are commonly used products of Drop-in Circulator. This product covers the C~Ku band range with a relative bandwidth of up to 5~10%. Dimensions and frequency bands can be customized based on your requirements.
Model
Frequency(GHz)
BW Max
Insertion loss(dB) Max
Isolation(dB)Min
VSWR Max
operating temperature(℃ )
PK/CW/RP(Watt)
Direction
HDCTC70T180G⬇
7.0~18.0
10%
0.4
20
1.25
-55~+85℃
200/20
Clockwise
HDCTD70T180G⬇
7.0~18.0
10%
0.4
20
1.25
-55~+85℃
200/20
Counter Clockwise
18.0~40.0GHz Typical Drop-in Circulator
Product Overview
Here are commonly used products of Drop-in Circulator. This product covers the K~Ka band range with a relative bandwidth of up to 10%. Dimensions and frequency bands can be customized based on your requirements.
Model
Frequency(GHz)
BW Max
Insertion loss(dB) Max
Isolation(dB)Min
VSWR Max
operating temperature(℃ )
PK/CW/RP(Watt)
Direction
HDCTC180T400G⬇
18.0~40.0
10%
0.6
18
1.35
-55~+85℃
20/5
Clockwise
HDCTD180T400G⬇
18.0~40.0
10%
0.6
18
1.35
-55~+85℃
20/5
Counter Clockwise
About HzBeat
HzBeat is a leading RF component manufacturer specializing in RF circulators and isolators, as a global supplier of RF circulators and isolators (20MHz–200GHz), we providing microstrip, drop-in, coaxial, and waveguide solutions for communication systems, radar, satellite, and medical imaging.
For detailed technical documentation, sample requests, or customization needs, please do not hesitate to contact us. — we respond within 24 hours to ensure you get precise solutions for your design.
Customization & Selection Guide
- Operating Band:Ensure it covers all frequencies required by your system.
- Power Handling Capacity:Select based on your system's transmit power (average and peak), allowing a certain margin.
- Performance Requirements:Define specific requirements for Insertion Loss, Isolation, and VSWR/Return Loss.
- Environmental Conditions:Consider operating temperature range, vibration, humidity, etc.
- Cost & Delivery:Balance cost and project timeline while meeting performance requirements.
Why Choose Our Product
- Profound Technical Expertise:We have over 18 years of R&D experience in ferrite materials and microwave magnetics.
- Fully Automated Production Lines:Ensure consistent excellence and reliability in every unit.
- Professional Application Support:Our engineering team provides timely technical selection, customization, and failure analysis services.
- Competitive Pricing & Lead Times:Economies of scale from mass production enable us to respond quickly to your orders.
Related Products
Questions? Feel Free to Reach Out Via Message.
Tell us frequency band, target IL/Isolation/VSWR, power level and timeline — we’ll match the best topology and deliver S-parameters.We will contact you within 24 hours.
Product Overview
Here are commonly used products of Drop-in Circulator. This product covers the VHF~UHF band range with a relative bandwidth of up to 10~20%. Dimensions and frequency bands can be customized based on your requirements.
| Model | Frequency(GHz) | BW Max | Insertion loss(dB) Max | Isolation(dB)Min | VSWR Max | operating temperature(℃ ) | PK/CW/RP(Watt) | Direction |
|---|---|---|---|---|---|---|---|---|
| HDCTC250T600M⬇ | 0.25~0.6 | 20% | 0.4 | 20 | 1.25 | -55~+85℃ | 1000/100 | Clockwise |
| HDCTD250T600M⬇ | 0.25~0.6 | 20% | 0.4 | 20 | 1.25 | -55~+85℃ | 1000/100 | Counter Clockwise |
0.45~1.0GHz Typical Drop-in Circulator
Product Overview
Here are commonly used products of Drop-in Circulator. This product covers the UHF band range with a relative bandwidth of up to 10~20%. Dimensions and frequency bands can be customized based on your requirements.
Model
Frequency(GHz)
BW Max
Insertion loss(dB) Max
Isolation(dB)Min
VSWR Max
operating temperature(℃ )
PK/CW/RP(Watt)
Direction
HDCTC450T1000M⬇
0.45~1.0
20%
0.4
20
1.25
-55~+85℃
1000/100
Clockwise
HDCTD450T1000M⬇
0.45~1.0
20%
0.4
20
1.25
-55~+85℃
1000/100
Counter Clockwise
0.8~3.4GHz Typical Drop-in Circulator
Product Overview
Here are commonly used products of Drop-in Circulator. This product covers the UHF band range with a relative bandwidth of up to 10~20%. Dimensions and frequency bands can be customized based on your requirements.
Model
Frequency(GHz)
BW Max
Insertion loss(dB) Max
Isolation(dB)Min
VSWR Max
operating temperature(℃ )
PK/CW/RP(Watt)
Direction
HDCTC08T34G⬇
0.8~3.4
20%
0.4
20
1.25
-55~+85℃
500/100
Clockwise
HDCTD08T34G⬇
0.8~3.4
20%
0.4
20
1.25
-55~+85℃
500/100
Counter Clockwise
1.0~3.4GHz Typical Drop-in Circulator
Product Overview
Here are commonly used products of Drop-in Circulator. This product covers the L~S band range with a relative bandwidth of up to 15~10%. Dimensions and frequency bands can be customized based on your requirements.
Model
Frequency(GHz)
BW Max
Insertion loss(dB) Max
Isolation(dB)Min
VSWR Max
operating temperature(℃ )
PK/CW/RP(Watt)
Direction
HDCTC10T34G⬇
1.0~3.4
15%
0.4
20
1.25
-55~+85℃
500/100
Clockwise
HDCTD10T34G⬇
1.0~3.4
15%
0.4
20
1.25
-55~+85℃
500/100
Counter Clockwise
1.2~1.4GHz Typical Drop-in Circulator
Product Overview
Here are commonly used products of Drop-in Circulator. This product covers the L band range with a relative bandwidth of up to 15%. Dimensions and frequency bands can be customized based on your requirements.
Model
Frequency(GHz)
BW Max
Insertion loss(dB) Max
Isolation(dB)Min
VSWR Max
operating temperature(℃ )
PK/CW/RP(Watt)
Direction
HDCTC12T14G⬇
1.2~1.4
FULL
0.5
20
1.2
-55~+85℃
-/100
Clockwise
HDCTD12T14G⬇
1.2~1.4
FULL
0.5
20
1.2
-55~+85℃
-/100
Counter Clockwise
1.8~3.4GHz Typical Drop-in Circulator
Product Overview
Here are commonly used products of Drop-in Circulator. This product covers the L~S band range with a relative bandwidth of up to 5~10%. Dimensions and frequency bands can be customized based on your requirements.
Model
Frequency(GHz)
BW Max
Insertion loss(dB) Max
Isolation(dB)Min
VSWR Max
operating temperature(℃ )
PK/CW/RP(Watt)
Direction
HDCTC18T34G⬇
1.8~3.4
10%
0.4
20
1.25
-55~+85℃
500/100
Clockwise
HDCTD18T34G⬇
1.8~3.4
10%
0.4
20
1.25
-55~+85℃
500/100
Counter Clockwise
2.0~3.4GHz Typical Drop-in Circulator
Product Overview
Here are commonly used products of Drop-in Circulator. This product covers the S band range with a relative bandwidth of up to 5~10%. Dimensions and frequency bands can be customized based on your requirements.
Model
Frequency(GHz)
BW Max
Insertion loss(dB) Max
Isolation(dB)Min
VSWR Max
operating temperature(℃ )
PK/CW/RP(Watt)
Direction
HDCTC20T34G⬇
2.0~3.4
10%
0.5
20
1.25
-55~+85℃
200/50
Clockwise
HDCTD20T34G⬇
2.0~3.4
10%
0.5
20
1.25
-55~+85℃
200/50
Counter Clockwise
2.6~3.8GHz Typical Drop-in Circulator
Product Overview
Here are commonly used products of Drop-in Circulator. This product covers the S band range with a relative bandwidth of up to 5~10%. Dimensions and frequency bands can be customized based on your requirements.
Model
Frequency(GHz)
BW Max
Insertion loss(dB) Max
Isolation(dB)Min
VSWR Max
operating temperature(℃ )
PK/CW/RP(Watt)
Direction
HDCTC26T38G⬇
2.6~3.8
10%
0.5
20
1.25
-55~+85℃
200/50
Clockwise
HDCTD26T38G⬇
2.6~3.8
10%
0.5
20
1.25
-55~+85℃
200/50
Counter Clockwise
2.5~5.0GHz Typical Drop-in Circulator
Product Overview
Here are commonly used products of Drop-in Circulator. This product covers the S~C band range with a relative bandwidth of up to 5~10%. Dimensions and frequency bands can be customized based on your requirements.
Model
Frequency(GHz)
BW Max
Insertion loss(dB) Max
Isolation(dB)Min
VSWR Max
operating temperature(℃ )
PK/CW/RP(Watt)
Direction
HDCTC25T50G⬇
2.5~5.0
10%
0.4
20
1.25
-55~+85℃
200/50
Clockwise
HDCTD25T50G⬇
2.5~5.0
10%
0.4
20
1.25
-55~+85℃
200/50
Counter Clockwise
4.0~8.0GHz Typical Drop-in Circulator
Product Overview
Here are commonly used products of Drop-in Circulator. This product covers the C band range with a relative bandwidth of up to 5~10%. Dimensions and frequency bands can be customized based on your requirements.
Model
Frequency(GHz)
BW Max
Insertion loss(dB) Max
Isolation(dB)Min
VSWR Max
operating temperature(℃ )
PK/CW/RP(Watt)
Direction
HDCTC40T80G⬇
4.0~8.0
10%
0.4
20
1.25
-55~+85℃
200/50
Clockwise
HDCTD40T80G⬇
4.0~8.0
10%
0.4
20
1.25
-55~+85℃
200/50
Counter Clockwise
5.0~6.0GHz Typical Drop-in Circulator
Product Overview
Here are commonly used products of Drop-in Circulator. This product covers the C band range with a relative bandwidth of up to 18%. Dimensions and frequency bands can be customized based on your requirements.
Model
Frequency(GHz)
BW Max
Insertion loss(dB) Max
Isolation(dB)Min
VSWR Max
operating temperature(℃ )
PK/CW/RP(Watt)
Direction
HDCTC50T60G⬇
5.0~6.0
FULL
0.4
20
1.2
-55~+85℃
-/50
Clockwise
HDCTD50T60G⬇
5.0~6.0
FULL
0.4
20
1.2
-55~+85℃
-/50
Counter Clockwise
7.0~18.0GHz Typical Drop-in Circulator
Product Overview
Here are commonly used products of Drop-in Circulator. This product covers the C~Ku band range with a relative bandwidth of up to 5~10%. Dimensions and frequency bands can be customized based on your requirements.
Model
Frequency(GHz)
BW Max
Insertion loss(dB) Max
Isolation(dB)Min
VSWR Max
operating temperature(℃ )
PK/CW/RP(Watt)
Direction
HDCTC70T180G⬇
7.0~18.0
10%
0.4
20
1.25
-55~+85℃
200/20
Clockwise
HDCTD70T180G⬇
7.0~18.0
10%
0.4
20
1.25
-55~+85℃
200/20
Counter Clockwise
18.0~40.0GHz Typical Drop-in Circulator
Product Overview
Here are commonly used products of Drop-in Circulator. This product covers the K~Ka band range with a relative bandwidth of up to 10%. Dimensions and frequency bands can be customized based on your requirements.
Model
Frequency(GHz)
BW Max
Insertion loss(dB) Max
Isolation(dB)Min
VSWR Max
operating temperature(℃ )
PK/CW/RP(Watt)
Direction
HDCTC180T400G⬇
18.0~40.0
10%
0.6
18
1.35
-55~+85℃
20/5
Clockwise
HDCTD180T400G⬇
18.0~40.0
10%
0.6
18
1.35
-55~+85℃
20/5
Counter Clockwise
About HzBeat
HzBeat is a leading RF component manufacturer specializing in RF circulators and isolators, as a global supplier of RF circulators and isolators (20MHz–200GHz), we providing microstrip, drop-in, coaxial, and waveguide solutions for communication systems, radar, satellite, and medical imaging.
For detailed technical documentation, sample requests, or customization needs, please do not hesitate to contact us. — we respond within 24 hours to ensure you get precise solutions for your design.
Customization & Selection Guide
- Operating Band:Ensure it covers all frequencies required by your system.
- Power Handling Capacity:Select based on your system's transmit power (average and peak), allowing a certain margin.
- Performance Requirements:Define specific requirements for Insertion Loss, Isolation, and VSWR/Return Loss.
- Environmental Conditions:Consider operating temperature range, vibration, humidity, etc.
- Cost & Delivery:Balance cost and project timeline while meeting performance requirements.
Why Choose Our Product
- Profound Technical Expertise:We have over 18 years of R&D experience in ferrite materials and microwave magnetics.
- Fully Automated Production Lines:Ensure consistent excellence and reliability in every unit.
- Professional Application Support:Our engineering team provides timely technical selection, customization, and failure analysis services.
- Competitive Pricing & Lead Times:Economies of scale from mass production enable us to respond quickly to your orders.
Related Products
Questions? Feel Free to Reach Out Via Message.
Tell us frequency band, target IL/Isolation/VSWR, power level and timeline — we’ll match the best topology and deliver S-parameters.We will contact you within 24 hours.
Product Overview
Here are commonly used products of Drop-in Circulator. This product covers the UHF band range with a relative bandwidth of up to 10~20%. Dimensions and frequency bands can be customized based on your requirements.
| Model | Frequency(GHz) | BW Max | Insertion loss(dB) Max | Isolation(dB)Min | VSWR Max | operating temperature(℃ ) | PK/CW/RP(Watt) | Direction |
|---|---|---|---|---|---|---|---|---|
| HDCTC450T1000M⬇ | 0.45~1.0 | 20% | 0.4 | 20 | 1.25 | -55~+85℃ | 1000/100 | Clockwise |
| HDCTD450T1000M⬇ | 0.45~1.0 | 20% | 0.4 | 20 | 1.25 | -55~+85℃ | 1000/100 | Counter Clockwise |
0.8~3.4GHz Typical Drop-in Circulator
Product Overview
Here are commonly used products of Drop-in Circulator. This product covers the UHF band range with a relative bandwidth of up to 10~20%. Dimensions and frequency bands can be customized based on your requirements.
Model
Frequency(GHz)
BW Max
Insertion loss(dB) Max
Isolation(dB)Min
VSWR Max
operating temperature(℃ )
PK/CW/RP(Watt)
Direction
HDCTC08T34G⬇
0.8~3.4
20%
0.4
20
1.25
-55~+85℃
500/100
Clockwise
HDCTD08T34G⬇
0.8~3.4
20%
0.4
20
1.25
-55~+85℃
500/100
Counter Clockwise
1.0~3.4GHz Typical Drop-in Circulator
Product Overview
Here are commonly used products of Drop-in Circulator. This product covers the L~S band range with a relative bandwidth of up to 15~10%. Dimensions and frequency bands can be customized based on your requirements.
Model
Frequency(GHz)
BW Max
Insertion loss(dB) Max
Isolation(dB)Min
VSWR Max
operating temperature(℃ )
PK/CW/RP(Watt)
Direction
HDCTC10T34G⬇
1.0~3.4
15%
0.4
20
1.25
-55~+85℃
500/100
Clockwise
HDCTD10T34G⬇
1.0~3.4
15%
0.4
20
1.25
-55~+85℃
500/100
Counter Clockwise
1.2~1.4GHz Typical Drop-in Circulator
Product Overview
Here are commonly used products of Drop-in Circulator. This product covers the L band range with a relative bandwidth of up to 15%. Dimensions and frequency bands can be customized based on your requirements.
Model
Frequency(GHz)
BW Max
Insertion loss(dB) Max
Isolation(dB)Min
VSWR Max
operating temperature(℃ )
PK/CW/RP(Watt)
Direction
HDCTC12T14G⬇
1.2~1.4
FULL
0.5
20
1.2
-55~+85℃
-/100
Clockwise
HDCTD12T14G⬇
1.2~1.4
FULL
0.5
20
1.2
-55~+85℃
-/100
Counter Clockwise
1.8~3.4GHz Typical Drop-in Circulator
Product Overview
Here are commonly used products of Drop-in Circulator. This product covers the L~S band range with a relative bandwidth of up to 5~10%. Dimensions and frequency bands can be customized based on your requirements.
Model
Frequency(GHz)
BW Max
Insertion loss(dB) Max
Isolation(dB)Min
VSWR Max
operating temperature(℃ )
PK/CW/RP(Watt)
Direction
HDCTC18T34G⬇
1.8~3.4
10%
0.4
20
1.25
-55~+85℃
500/100
Clockwise
HDCTD18T34G⬇
1.8~3.4
10%
0.4
20
1.25
-55~+85℃
500/100
Counter Clockwise
2.0~3.4GHz Typical Drop-in Circulator
Product Overview
Here are commonly used products of Drop-in Circulator. This product covers the S band range with a relative bandwidth of up to 5~10%. Dimensions and frequency bands can be customized based on your requirements.
Model
Frequency(GHz)
BW Max
Insertion loss(dB) Max
Isolation(dB)Min
VSWR Max
operating temperature(℃ )
PK/CW/RP(Watt)
Direction
HDCTC20T34G⬇
2.0~3.4
10%
0.5
20
1.25
-55~+85℃
200/50
Clockwise
HDCTD20T34G⬇
2.0~3.4
10%
0.5
20
1.25
-55~+85℃
200/50
Counter Clockwise
2.6~3.8GHz Typical Drop-in Circulator
Product Overview
Here are commonly used products of Drop-in Circulator. This product covers the S band range with a relative bandwidth of up to 5~10%. Dimensions and frequency bands can be customized based on your requirements.
Model
Frequency(GHz)
BW Max
Insertion loss(dB) Max
Isolation(dB)Min
VSWR Max
operating temperature(℃ )
PK/CW/RP(Watt)
Direction
HDCTC26T38G⬇
2.6~3.8
10%
0.5
20
1.25
-55~+85℃
200/50
Clockwise
HDCTD26T38G⬇
2.6~3.8
10%
0.5
20
1.25
-55~+85℃
200/50
Counter Clockwise
2.5~5.0GHz Typical Drop-in Circulator
Product Overview
Here are commonly used products of Drop-in Circulator. This product covers the S~C band range with a relative bandwidth of up to 5~10%. Dimensions and frequency bands can be customized based on your requirements.
Model
Frequency(GHz)
BW Max
Insertion loss(dB) Max
Isolation(dB)Min
VSWR Max
operating temperature(℃ )
PK/CW/RP(Watt)
Direction
HDCTC25T50G⬇
2.5~5.0
10%
0.4
20
1.25
-55~+85℃
200/50
Clockwise
HDCTD25T50G⬇
2.5~5.0
10%
0.4
20
1.25
-55~+85℃
200/50
Counter Clockwise
4.0~8.0GHz Typical Drop-in Circulator
Product Overview
Here are commonly used products of Drop-in Circulator. This product covers the C band range with a relative bandwidth of up to 5~10%. Dimensions and frequency bands can be customized based on your requirements.
Model
Frequency(GHz)
BW Max
Insertion loss(dB) Max
Isolation(dB)Min
VSWR Max
operating temperature(℃ )
PK/CW/RP(Watt)
Direction
HDCTC40T80G⬇
4.0~8.0
10%
0.4
20
1.25
-55~+85℃
200/50
Clockwise
HDCTD40T80G⬇
4.0~8.0
10%
0.4
20
1.25
-55~+85℃
200/50
Counter Clockwise
5.0~6.0GHz Typical Drop-in Circulator
Product Overview
Here are commonly used products of Drop-in Circulator. This product covers the C band range with a relative bandwidth of up to 18%. Dimensions and frequency bands can be customized based on your requirements.
Model
Frequency(GHz)
BW Max
Insertion loss(dB) Max
Isolation(dB)Min
VSWR Max
operating temperature(℃ )
PK/CW/RP(Watt)
Direction
HDCTC50T60G⬇
5.0~6.0
FULL
0.4
20
1.2
-55~+85℃
-/50
Clockwise
HDCTD50T60G⬇
5.0~6.0
FULL
0.4
20
1.2
-55~+85℃
-/50
Counter Clockwise
7.0~18.0GHz Typical Drop-in Circulator
Product Overview
Here are commonly used products of Drop-in Circulator. This product covers the C~Ku band range with a relative bandwidth of up to 5~10%. Dimensions and frequency bands can be customized based on your requirements.
Model
Frequency(GHz)
BW Max
Insertion loss(dB) Max
Isolation(dB)Min
VSWR Max
operating temperature(℃ )
PK/CW/RP(Watt)
Direction
HDCTC70T180G⬇
7.0~18.0
10%
0.4
20
1.25
-55~+85℃
200/20
Clockwise
HDCTD70T180G⬇
7.0~18.0
10%
0.4
20
1.25
-55~+85℃
200/20
Counter Clockwise
18.0~40.0GHz Typical Drop-in Circulator
Product Overview
Here are commonly used products of Drop-in Circulator. This product covers the K~Ka band range with a relative bandwidth of up to 10%. Dimensions and frequency bands can be customized based on your requirements.
Model
Frequency(GHz)
BW Max
Insertion loss(dB) Max
Isolation(dB)Min
VSWR Max
operating temperature(℃ )
PK/CW/RP(Watt)
Direction
HDCTC180T400G⬇
18.0~40.0
10%
0.6
18
1.35
-55~+85℃
20/5
Clockwise
HDCTD180T400G⬇
18.0~40.0
10%
0.6
18
1.35
-55~+85℃
20/5
Counter Clockwise
About HzBeat
HzBeat is a leading RF component manufacturer specializing in RF circulators and isolators, as a global supplier of RF circulators and isolators (20MHz–200GHz), we providing microstrip, drop-in, coaxial, and waveguide solutions for communication systems, radar, satellite, and medical imaging.
For detailed technical documentation, sample requests, or customization needs, please do not hesitate to contact us. — we respond within 24 hours to ensure you get precise solutions for your design.
Customization & Selection Guide
- Operating Band:Ensure it covers all frequencies required by your system.
- Power Handling Capacity:Select based on your system's transmit power (average and peak), allowing a certain margin.
- Performance Requirements:Define specific requirements for Insertion Loss, Isolation, and VSWR/Return Loss.
- Environmental Conditions:Consider operating temperature range, vibration, humidity, etc.
- Cost & Delivery:Balance cost and project timeline while meeting performance requirements.
Why Choose Our Product
- Profound Technical Expertise:We have over 18 years of R&D experience in ferrite materials and microwave magnetics.
- Fully Automated Production Lines:Ensure consistent excellence and reliability in every unit.
- Professional Application Support:Our engineering team provides timely technical selection, customization, and failure analysis services.
- Competitive Pricing & Lead Times:Economies of scale from mass production enable us to respond quickly to your orders.
Related Products
Questions? Feel Free to Reach Out Via Message.
Tell us frequency band, target IL/Isolation/VSWR, power level and timeline — we’ll match the best topology and deliver S-parameters.We will contact you within 24 hours.
Product Overview
Here are commonly used products of Drop-in Circulator. This product covers the UHF band range with a relative bandwidth of up to 10~20%. Dimensions and frequency bands can be customized based on your requirements.
| Model | Frequency(GHz) | BW Max | Insertion loss(dB) Max | Isolation(dB)Min | VSWR Max | operating temperature(℃ ) | PK/CW/RP(Watt) | Direction |
|---|---|---|---|---|---|---|---|---|
| HDCTC08T34G⬇ | 0.8~3.4 | 20% | 0.4 | 20 | 1.25 | -55~+85℃ | 500/100 | Clockwise |
| HDCTD08T34G⬇ | 0.8~3.4 | 20% | 0.4 | 20 | 1.25 | -55~+85℃ | 500/100 | Counter Clockwise |
1.0~3.4GHz Typical Drop-in Circulator
Product Overview
Here are commonly used products of Drop-in Circulator. This product covers the L~S band range with a relative bandwidth of up to 15~10%. Dimensions and frequency bands can be customized based on your requirements.
Model
Frequency(GHz)
BW Max
Insertion loss(dB) Max
Isolation(dB)Min
VSWR Max
operating temperature(℃ )
PK/CW/RP(Watt)
Direction
HDCTC10T34G⬇
1.0~3.4
15%
0.4
20
1.25
-55~+85℃
500/100
Clockwise
HDCTD10T34G⬇
1.0~3.4
15%
0.4
20
1.25
-55~+85℃
500/100
Counter Clockwise
1.2~1.4GHz Typical Drop-in Circulator
Product Overview
Here are commonly used products of Drop-in Circulator. This product covers the L band range with a relative bandwidth of up to 15%. Dimensions and frequency bands can be customized based on your requirements.
Model
Frequency(GHz)
BW Max
Insertion loss(dB) Max
Isolation(dB)Min
VSWR Max
operating temperature(℃ )
PK/CW/RP(Watt)
Direction
HDCTC12T14G⬇
1.2~1.4
FULL
0.5
20
1.2
-55~+85℃
-/100
Clockwise
HDCTD12T14G⬇
1.2~1.4
FULL
0.5
20
1.2
-55~+85℃
-/100
Counter Clockwise
1.8~3.4GHz Typical Drop-in Circulator
Product Overview
Here are commonly used products of Drop-in Circulator. This product covers the L~S band range with a relative bandwidth of up to 5~10%. Dimensions and frequency bands can be customized based on your requirements.
Model
Frequency(GHz)
BW Max
Insertion loss(dB) Max
Isolation(dB)Min
VSWR Max
operating temperature(℃ )
PK/CW/RP(Watt)
Direction
HDCTC18T34G⬇
1.8~3.4
10%
0.4
20
1.25
-55~+85℃
500/100
Clockwise
HDCTD18T34G⬇
1.8~3.4
10%
0.4
20
1.25
-55~+85℃
500/100
Counter Clockwise
2.0~3.4GHz Typical Drop-in Circulator
Product Overview
Here are commonly used products of Drop-in Circulator. This product covers the S band range with a relative bandwidth of up to 5~10%. Dimensions and frequency bands can be customized based on your requirements.
Model
Frequency(GHz)
BW Max
Insertion loss(dB) Max
Isolation(dB)Min
VSWR Max
operating temperature(℃ )
PK/CW/RP(Watt)
Direction
HDCTC20T34G⬇
2.0~3.4
10%
0.5
20
1.25
-55~+85℃
200/50
Clockwise
HDCTD20T34G⬇
2.0~3.4
10%
0.5
20
1.25
-55~+85℃
200/50
Counter Clockwise
2.6~3.8GHz Typical Drop-in Circulator
Product Overview
Here are commonly used products of Drop-in Circulator. This product covers the S band range with a relative bandwidth of up to 5~10%. Dimensions and frequency bands can be customized based on your requirements.
Model
Frequency(GHz)
BW Max
Insertion loss(dB) Max
Isolation(dB)Min
VSWR Max
operating temperature(℃ )
PK/CW/RP(Watt)
Direction
HDCTC26T38G⬇
2.6~3.8
10%
0.5
20
1.25
-55~+85℃
200/50
Clockwise
HDCTD26T38G⬇
2.6~3.8
10%
0.5
20
1.25
-55~+85℃
200/50
Counter Clockwise
2.5~5.0GHz Typical Drop-in Circulator
Product Overview
Here are commonly used products of Drop-in Circulator. This product covers the S~C band range with a relative bandwidth of up to 5~10%. Dimensions and frequency bands can be customized based on your requirements.
Model
Frequency(GHz)
BW Max
Insertion loss(dB) Max
Isolation(dB)Min
VSWR Max
operating temperature(℃ )
PK/CW/RP(Watt)
Direction
HDCTC25T50G⬇
2.5~5.0
10%
0.4
20
1.25
-55~+85℃
200/50
Clockwise
HDCTD25T50G⬇
2.5~5.0
10%
0.4
20
1.25
-55~+85℃
200/50
Counter Clockwise
4.0~8.0GHz Typical Drop-in Circulator
Product Overview
Here are commonly used products of Drop-in Circulator. This product covers the C band range with a relative bandwidth of up to 5~10%. Dimensions and frequency bands can be customized based on your requirements.
Model
Frequency(GHz)
BW Max
Insertion loss(dB) Max
Isolation(dB)Min
VSWR Max
operating temperature(℃ )
PK/CW/RP(Watt)
Direction
HDCTC40T80G⬇
4.0~8.0
10%
0.4
20
1.25
-55~+85℃
200/50
Clockwise
HDCTD40T80G⬇
4.0~8.0
10%
0.4
20
1.25
-55~+85℃
200/50
Counter Clockwise
5.0~6.0GHz Typical Drop-in Circulator
Product Overview
Here are commonly used products of Drop-in Circulator. This product covers the C band range with a relative bandwidth of up to 18%. Dimensions and frequency bands can be customized based on your requirements.
Model
Frequency(GHz)
BW Max
Insertion loss(dB) Max
Isolation(dB)Min
VSWR Max
operating temperature(℃ )
PK/CW/RP(Watt)
Direction
HDCTC50T60G⬇
5.0~6.0
FULL
0.4
20
1.2
-55~+85℃
-/50
Clockwise
HDCTD50T60G⬇
5.0~6.0
FULL
0.4
20
1.2
-55~+85℃
-/50
Counter Clockwise
7.0~18.0GHz Typical Drop-in Circulator
Product Overview
Here are commonly used products of Drop-in Circulator. This product covers the C~Ku band range with a relative bandwidth of up to 5~10%. Dimensions and frequency bands can be customized based on your requirements.
Model
Frequency(GHz)
BW Max
Insertion loss(dB) Max
Isolation(dB)Min
VSWR Max
operating temperature(℃ )
PK/CW/RP(Watt)
Direction
HDCTC70T180G⬇
7.0~18.0
10%
0.4
20
1.25
-55~+85℃
200/20
Clockwise
HDCTD70T180G⬇
7.0~18.0
10%
0.4
20
1.25
-55~+85℃
200/20
Counter Clockwise
18.0~40.0GHz Typical Drop-in Circulator
Product Overview
Here are commonly used products of Drop-in Circulator. This product covers the K~Ka band range with a relative bandwidth of up to 10%. Dimensions and frequency bands can be customized based on your requirements.
Model
Frequency(GHz)
BW Max
Insertion loss(dB) Max
Isolation(dB)Min
VSWR Max
operating temperature(℃ )
PK/CW/RP(Watt)
Direction
HDCTC180T400G⬇
18.0~40.0
10%
0.6
18
1.35
-55~+85℃
20/5
Clockwise
HDCTD180T400G⬇
18.0~40.0
10%
0.6
18
1.35
-55~+85℃
20/5
Counter Clockwise
About HzBeat
HzBeat is a leading RF component manufacturer specializing in RF circulators and isolators, as a global supplier of RF circulators and isolators (20MHz–200GHz), we providing microstrip, drop-in, coaxial, and waveguide solutions for communication systems, radar, satellite, and medical imaging.
For detailed technical documentation, sample requests, or customization needs, please do not hesitate to contact us. — we respond within 24 hours to ensure you get precise solutions for your design.
Customization & Selection Guide
- Operating Band:Ensure it covers all frequencies required by your system.
- Power Handling Capacity:Select based on your system's transmit power (average and peak), allowing a certain margin.
- Performance Requirements:Define specific requirements for Insertion Loss, Isolation, and VSWR/Return Loss.
- Environmental Conditions:Consider operating temperature range, vibration, humidity, etc.
- Cost & Delivery:Balance cost and project timeline while meeting performance requirements.
Why Choose Our Product
- Profound Technical Expertise:We have over 18 years of R&D experience in ferrite materials and microwave magnetics.
- Fully Automated Production Lines:Ensure consistent excellence and reliability in every unit.
- Professional Application Support:Our engineering team provides timely technical selection, customization, and failure analysis services.
- Competitive Pricing & Lead Times:Economies of scale from mass production enable us to respond quickly to your orders.
Related Products
Questions? Feel Free to Reach Out Via Message.
Tell us frequency band, target IL/Isolation/VSWR, power level and timeline — we’ll match the best topology and deliver S-parameters.We will contact you within 24 hours.
Product Overview
Here are commonly used products of Drop-in Circulator. This product covers the L~S band range with a relative bandwidth of up to 15~10%. Dimensions and frequency bands can be customized based on your requirements.
| Model | Frequency(GHz) | BW Max | Insertion loss(dB) Max | Isolation(dB)Min | VSWR Max | operating temperature(℃ ) | PK/CW/RP(Watt) | Direction |
|---|---|---|---|---|---|---|---|---|
| HDCTC10T34G⬇ | 1.0~3.4 | 15% | 0.4 | 20 | 1.25 | -55~+85℃ | 500/100 | Clockwise |
| HDCTD10T34G⬇ | 1.0~3.4 | 15% | 0.4 | 20 | 1.25 | -55~+85℃ | 500/100 | Counter Clockwise |
1.2~1.4GHz Typical Drop-in Circulator
Product Overview
Here are commonly used products of Drop-in Circulator. This product covers the L band range with a relative bandwidth of up to 15%. Dimensions and frequency bands can be customized based on your requirements.
Model
Frequency(GHz)
BW Max
Insertion loss(dB) Max
Isolation(dB)Min
VSWR Max
operating temperature(℃ )
PK/CW/RP(Watt)
Direction
HDCTC12T14G⬇
1.2~1.4
FULL
0.5
20
1.2
-55~+85℃
-/100
Clockwise
HDCTD12T14G⬇
1.2~1.4
FULL
0.5
20
1.2
-55~+85℃
-/100
Counter Clockwise
1.8~3.4GHz Typical Drop-in Circulator
Product Overview
Here are commonly used products of Drop-in Circulator. This product covers the L~S band range with a relative bandwidth of up to 5~10%. Dimensions and frequency bands can be customized based on your requirements.
Model
Frequency(GHz)
BW Max
Insertion loss(dB) Max
Isolation(dB)Min
VSWR Max
operating temperature(℃ )
PK/CW/RP(Watt)
Direction
HDCTC18T34G⬇
1.8~3.4
10%
0.4
20
1.25
-55~+85℃
500/100
Clockwise
HDCTD18T34G⬇
1.8~3.4
10%
0.4
20
1.25
-55~+85℃
500/100
Counter Clockwise
2.0~3.4GHz Typical Drop-in Circulator
Product Overview
Here are commonly used products of Drop-in Circulator. This product covers the S band range with a relative bandwidth of up to 5~10%. Dimensions and frequency bands can be customized based on your requirements.
Model
Frequency(GHz)
BW Max
Insertion loss(dB) Max
Isolation(dB)Min
VSWR Max
operating temperature(℃ )
PK/CW/RP(Watt)
Direction
HDCTC20T34G⬇
2.0~3.4
10%
0.5
20
1.25
-55~+85℃
200/50
Clockwise
HDCTD20T34G⬇
2.0~3.4
10%
0.5
20
1.25
-55~+85℃
200/50
Counter Clockwise
2.6~3.8GHz Typical Drop-in Circulator
Product Overview
Here are commonly used products of Drop-in Circulator. This product covers the S band range with a relative bandwidth of up to 5~10%. Dimensions and frequency bands can be customized based on your requirements.
Model
Frequency(GHz)
BW Max
Insertion loss(dB) Max
Isolation(dB)Min
VSWR Max
operating temperature(℃ )
PK/CW/RP(Watt)
Direction
HDCTC26T38G⬇
2.6~3.8
10%
0.5
20
1.25
-55~+85℃
200/50
Clockwise
HDCTD26T38G⬇
2.6~3.8
10%
0.5
20
1.25
-55~+85℃
200/50
Counter Clockwise
2.5~5.0GHz Typical Drop-in Circulator
Product Overview
Here are commonly used products of Drop-in Circulator. This product covers the S~C band range with a relative bandwidth of up to 5~10%. Dimensions and frequency bands can be customized based on your requirements.
Model
Frequency(GHz)
BW Max
Insertion loss(dB) Max
Isolation(dB)Min
VSWR Max
operating temperature(℃ )
PK/CW/RP(Watt)
Direction
HDCTC25T50G⬇
2.5~5.0
10%
0.4
20
1.25
-55~+85℃
200/50
Clockwise
HDCTD25T50G⬇
2.5~5.0
10%
0.4
20
1.25
-55~+85℃
200/50
Counter Clockwise
4.0~8.0GHz Typical Drop-in Circulator
Product Overview
Here are commonly used products of Drop-in Circulator. This product covers the C band range with a relative bandwidth of up to 5~10%. Dimensions and frequency bands can be customized based on your requirements.
Model
Frequency(GHz)
BW Max
Insertion loss(dB) Max
Isolation(dB)Min
VSWR Max
operating temperature(℃ )
PK/CW/RP(Watt)
Direction
HDCTC40T80G⬇
4.0~8.0
10%
0.4
20
1.25
-55~+85℃
200/50
Clockwise
HDCTD40T80G⬇
4.0~8.0
10%
0.4
20
1.25
-55~+85℃
200/50
Counter Clockwise
5.0~6.0GHz Typical Drop-in Circulator
Product Overview
Here are commonly used products of Drop-in Circulator. This product covers the C band range with a relative bandwidth of up to 18%. Dimensions and frequency bands can be customized based on your requirements.
Model
Frequency(GHz)
BW Max
Insertion loss(dB) Max
Isolation(dB)Min
VSWR Max
operating temperature(℃ )
PK/CW/RP(Watt)
Direction
HDCTC50T60G⬇
5.0~6.0
FULL
0.4
20
1.2
-55~+85℃
-/50
Clockwise
HDCTD50T60G⬇
5.0~6.0
FULL
0.4
20
1.2
-55~+85℃
-/50
Counter Clockwise
7.0~18.0GHz Typical Drop-in Circulator
Product Overview
Here are commonly used products of Drop-in Circulator. This product covers the C~Ku band range with a relative bandwidth of up to 5~10%. Dimensions and frequency bands can be customized based on your requirements.
Model
Frequency(GHz)
BW Max
Insertion loss(dB) Max
Isolation(dB)Min
VSWR Max
operating temperature(℃ )
PK/CW/RP(Watt)
Direction
HDCTC70T180G⬇
7.0~18.0
10%
0.4
20
1.25
-55~+85℃
200/20
Clockwise
HDCTD70T180G⬇
7.0~18.0
10%
0.4
20
1.25
-55~+85℃
200/20
Counter Clockwise
18.0~40.0GHz Typical Drop-in Circulator
Product Overview
Here are commonly used products of Drop-in Circulator. This product covers the K~Ka band range with a relative bandwidth of up to 10%. Dimensions and frequency bands can be customized based on your requirements.
Model
Frequency(GHz)
BW Max
Insertion loss(dB) Max
Isolation(dB)Min
VSWR Max
operating temperature(℃ )
PK/CW/RP(Watt)
Direction
HDCTC180T400G⬇
18.0~40.0
10%
0.6
18
1.35
-55~+85℃
20/5
Clockwise
HDCTD180T400G⬇
18.0~40.0
10%
0.6
18
1.35
-55~+85℃
20/5
Counter Clockwise
About HzBeat
HzBeat is a leading RF component manufacturer specializing in RF circulators and isolators, as a global supplier of RF circulators and isolators (20MHz–200GHz), we providing microstrip, drop-in, coaxial, and waveguide solutions for communication systems, radar, satellite, and medical imaging.
For detailed technical documentation, sample requests, or customization needs, please do not hesitate to contact us. — we respond within 24 hours to ensure you get precise solutions for your design.
Customization & Selection Guide
- Operating Band:Ensure it covers all frequencies required by your system.
- Power Handling Capacity:Select based on your system's transmit power (average and peak), allowing a certain margin.
- Performance Requirements:Define specific requirements for Insertion Loss, Isolation, and VSWR/Return Loss.
- Environmental Conditions:Consider operating temperature range, vibration, humidity, etc.
- Cost & Delivery:Balance cost and project timeline while meeting performance requirements.
Why Choose Our Product
- Profound Technical Expertise:We have over 18 years of R&D experience in ferrite materials and microwave magnetics.
- Fully Automated Production Lines:Ensure consistent excellence and reliability in every unit.
- Professional Application Support:Our engineering team provides timely technical selection, customization, and failure analysis services.
- Competitive Pricing & Lead Times:Economies of scale from mass production enable us to respond quickly to your orders.
Related Products
Questions? Feel Free to Reach Out Via Message.
Tell us frequency band, target IL/Isolation/VSWR, power level and timeline — we’ll match the best topology and deliver S-parameters.We will contact you within 24 hours.
Product Overview
Here are commonly used products of Drop-in Circulator. This product covers the L band range with a relative bandwidth of up to 15%. Dimensions and frequency bands can be customized based on your requirements.
| Model | Frequency(GHz) | BW Max | Insertion loss(dB) Max | Isolation(dB)Min | VSWR Max | operating temperature(℃ ) | PK/CW/RP(Watt) | Direction |
|---|---|---|---|---|---|---|---|---|
| HDCTC12T14G⬇ | 1.2~1.4 | FULL | 0.5 | 20 | 1.2 | -55~+85℃ | -/100 | Clockwise |
| HDCTD12T14G⬇ | 1.2~1.4 | FULL | 0.5 | 20 | 1.2 | -55~+85℃ | -/100 | Counter Clockwise |
1.8~3.4GHz Typical Drop-in Circulator
Product Overview
Here are commonly used products of Drop-in Circulator. This product covers the L~S band range with a relative bandwidth of up to 5~10%. Dimensions and frequency bands can be customized based on your requirements.
Model
Frequency(GHz)
BW Max
Insertion loss(dB) Max
Isolation(dB)Min
VSWR Max
operating temperature(℃ )
PK/CW/RP(Watt)
Direction
HDCTC18T34G⬇
1.8~3.4
10%
0.4
20
1.25
-55~+85℃
500/100
Clockwise
HDCTD18T34G⬇
1.8~3.4
10%
0.4
20
1.25
-55~+85℃
500/100
Counter Clockwise
2.0~3.4GHz Typical Drop-in Circulator
Product Overview
Here are commonly used products of Drop-in Circulator. This product covers the S band range with a relative bandwidth of up to 5~10%. Dimensions and frequency bands can be customized based on your requirements.
Model
Frequency(GHz)
BW Max
Insertion loss(dB) Max
Isolation(dB)Min
VSWR Max
operating temperature(℃ )
PK/CW/RP(Watt)
Direction
HDCTC20T34G⬇
2.0~3.4
10%
0.5
20
1.25
-55~+85℃
200/50
Clockwise
HDCTD20T34G⬇
2.0~3.4
10%
0.5
20
1.25
-55~+85℃
200/50
Counter Clockwise
2.6~3.8GHz Typical Drop-in Circulator
Product Overview
Here are commonly used products of Drop-in Circulator. This product covers the S band range with a relative bandwidth of up to 5~10%. Dimensions and frequency bands can be customized based on your requirements.
Model
Frequency(GHz)
BW Max
Insertion loss(dB) Max
Isolation(dB)Min
VSWR Max
operating temperature(℃ )
PK/CW/RP(Watt)
Direction
HDCTC26T38G⬇
2.6~3.8
10%
0.5
20
1.25
-55~+85℃
200/50
Clockwise
HDCTD26T38G⬇
2.6~3.8
10%
0.5
20
1.25
-55~+85℃
200/50
Counter Clockwise
2.5~5.0GHz Typical Drop-in Circulator
Product Overview
Here are commonly used products of Drop-in Circulator. This product covers the S~C band range with a relative bandwidth of up to 5~10%. Dimensions and frequency bands can be customized based on your requirements.
Model
Frequency(GHz)
BW Max
Insertion loss(dB) Max
Isolation(dB)Min
VSWR Max
operating temperature(℃ )
PK/CW/RP(Watt)
Direction
HDCTC25T50G⬇
2.5~5.0
10%
0.4
20
1.25
-55~+85℃
200/50
Clockwise
HDCTD25T50G⬇
2.5~5.0
10%
0.4
20
1.25
-55~+85℃
200/50
Counter Clockwise
4.0~8.0GHz Typical Drop-in Circulator
Product Overview
Here are commonly used products of Drop-in Circulator. This product covers the C band range with a relative bandwidth of up to 5~10%. Dimensions and frequency bands can be customized based on your requirements.
Model
Frequency(GHz)
BW Max
Insertion loss(dB) Max
Isolation(dB)Min
VSWR Max
operating temperature(℃ )
PK/CW/RP(Watt)
Direction
HDCTC40T80G⬇
4.0~8.0
10%
0.4
20
1.25
-55~+85℃
200/50
Clockwise
HDCTD40T80G⬇
4.0~8.0
10%
0.4
20
1.25
-55~+85℃
200/50
Counter Clockwise
5.0~6.0GHz Typical Drop-in Circulator
Product Overview
Here are commonly used products of Drop-in Circulator. This product covers the C band range with a relative bandwidth of up to 18%. Dimensions and frequency bands can be customized based on your requirements.
Model
Frequency(GHz)
BW Max
Insertion loss(dB) Max
Isolation(dB)Min
VSWR Max
operating temperature(℃ )
PK/CW/RP(Watt)
Direction
HDCTC50T60G⬇
5.0~6.0
FULL
0.4
20
1.2
-55~+85℃
-/50
Clockwise
HDCTD50T60G⬇
5.0~6.0
FULL
0.4
20
1.2
-55~+85℃
-/50
Counter Clockwise
7.0~18.0GHz Typical Drop-in Circulator
Product Overview
Here are commonly used products of Drop-in Circulator. This product covers the C~Ku band range with a relative bandwidth of up to 5~10%. Dimensions and frequency bands can be customized based on your requirements.
Model
Frequency(GHz)
BW Max
Insertion loss(dB) Max
Isolation(dB)Min
VSWR Max
operating temperature(℃ )
PK/CW/RP(Watt)
Direction
HDCTC70T180G⬇
7.0~18.0
10%
0.4
20
1.25
-55~+85℃
200/20
Clockwise
HDCTD70T180G⬇
7.0~18.0
10%
0.4
20
1.25
-55~+85℃
200/20
Counter Clockwise
18.0~40.0GHz Typical Drop-in Circulator
Product Overview
Here are commonly used products of Drop-in Circulator. This product covers the K~Ka band range with a relative bandwidth of up to 10%. Dimensions and frequency bands can be customized based on your requirements.
Model
Frequency(GHz)
BW Max
Insertion loss(dB) Max
Isolation(dB)Min
VSWR Max
operating temperature(℃ )
PK/CW/RP(Watt)
Direction
HDCTC180T400G⬇
18.0~40.0
10%
0.6
18
1.35
-55~+85℃
20/5
Clockwise
HDCTD180T400G⬇
18.0~40.0
10%
0.6
18
1.35
-55~+85℃
20/5
Counter Clockwise
About HzBeat
HzBeat is a leading RF component manufacturer specializing in RF circulators and isolators, as a global supplier of RF circulators and isolators (20MHz–200GHz), we providing microstrip, drop-in, coaxial, and waveguide solutions for communication systems, radar, satellite, and medical imaging.
For detailed technical documentation, sample requests, or customization needs, please do not hesitate to contact us. — we respond within 24 hours to ensure you get precise solutions for your design.
Customization & Selection Guide
- Operating Band:Ensure it covers all frequencies required by your system.
- Power Handling Capacity:Select based on your system's transmit power (average and peak), allowing a certain margin.
- Performance Requirements:Define specific requirements for Insertion Loss, Isolation, and VSWR/Return Loss.
- Environmental Conditions:Consider operating temperature range, vibration, humidity, etc.
- Cost & Delivery:Balance cost and project timeline while meeting performance requirements.
Why Choose Our Product
- Profound Technical Expertise:We have over 18 years of R&D experience in ferrite materials and microwave magnetics.
- Fully Automated Production Lines:Ensure consistent excellence and reliability in every unit.
- Professional Application Support:Our engineering team provides timely technical selection, customization, and failure analysis services.
- Competitive Pricing & Lead Times:Economies of scale from mass production enable us to respond quickly to your orders.
Related Products
Questions? Feel Free to Reach Out Via Message.
Tell us frequency band, target IL/Isolation/VSWR, power level and timeline — we’ll match the best topology and deliver S-parameters.We will contact you within 24 hours.
Product Overview
Here are commonly used products of Drop-in Circulator. This product covers the L~S band range with a relative bandwidth of up to 5~10%. Dimensions and frequency bands can be customized based on your requirements.
| Model | Frequency(GHz) | BW Max | Insertion loss(dB) Max | Isolation(dB)Min | VSWR Max | operating temperature(℃ ) | PK/CW/RP(Watt) | Direction |
|---|---|---|---|---|---|---|---|---|
| HDCTC18T34G⬇ | 1.8~3.4 | 10% | 0.4 | 20 | 1.25 | -55~+85℃ | 500/100 | Clockwise |
| HDCTD18T34G⬇ | 1.8~3.4 | 10% | 0.4 | 20 | 1.25 | -55~+85℃ | 500/100 | Counter Clockwise |
2.0~3.4GHz Typical Drop-in Circulator
Product Overview
Here are commonly used products of Drop-in Circulator. This product covers the S band range with a relative bandwidth of up to 5~10%. Dimensions and frequency bands can be customized based on your requirements.
Model
Frequency(GHz)
BW Max
Insertion loss(dB) Max
Isolation(dB)Min
VSWR Max
operating temperature(℃ )
PK/CW/RP(Watt)
Direction
HDCTC20T34G⬇
2.0~3.4
10%
0.5
20
1.25
-55~+85℃
200/50
Clockwise
HDCTD20T34G⬇
2.0~3.4
10%
0.5
20
1.25
-55~+85℃
200/50
Counter Clockwise
2.6~3.8GHz Typical Drop-in Circulator
Product Overview
Here are commonly used products of Drop-in Circulator. This product covers the S band range with a relative bandwidth of up to 5~10%. Dimensions and frequency bands can be customized based on your requirements.
Model
Frequency(GHz)
BW Max
Insertion loss(dB) Max
Isolation(dB)Min
VSWR Max
operating temperature(℃ )
PK/CW/RP(Watt)
Direction
HDCTC26T38G⬇
2.6~3.8
10%
0.5
20
1.25
-55~+85℃
200/50
Clockwise
HDCTD26T38G⬇
2.6~3.8
10%
0.5
20
1.25
-55~+85℃
200/50
Counter Clockwise
2.5~5.0GHz Typical Drop-in Circulator
Product Overview
Here are commonly used products of Drop-in Circulator. This product covers the S~C band range with a relative bandwidth of up to 5~10%. Dimensions and frequency bands can be customized based on your requirements.
Model
Frequency(GHz)
BW Max
Insertion loss(dB) Max
Isolation(dB)Min
VSWR Max
operating temperature(℃ )
PK/CW/RP(Watt)
Direction
HDCTC25T50G⬇
2.5~5.0
10%
0.4
20
1.25
-55~+85℃
200/50
Clockwise
HDCTD25T50G⬇
2.5~5.0
10%
0.4
20
1.25
-55~+85℃
200/50
Counter Clockwise
4.0~8.0GHz Typical Drop-in Circulator
Product Overview
Here are commonly used products of Drop-in Circulator. This product covers the C band range with a relative bandwidth of up to 5~10%. Dimensions and frequency bands can be customized based on your requirements.
Model
Frequency(GHz)
BW Max
Insertion loss(dB) Max
Isolation(dB)Min
VSWR Max
operating temperature(℃ )
PK/CW/RP(Watt)
Direction
HDCTC40T80G⬇
4.0~8.0
10%
0.4
20
1.25
-55~+85℃
200/50
Clockwise
HDCTD40T80G⬇
4.0~8.0
10%
0.4
20
1.25
-55~+85℃
200/50
Counter Clockwise
5.0~6.0GHz Typical Drop-in Circulator
Product Overview
Here are commonly used products of Drop-in Circulator. This product covers the C band range with a relative bandwidth of up to 18%. Dimensions and frequency bands can be customized based on your requirements.
Model
Frequency(GHz)
BW Max
Insertion loss(dB) Max
Isolation(dB)Min
VSWR Max
operating temperature(℃ )
PK/CW/RP(Watt)
Direction
HDCTC50T60G⬇
5.0~6.0
FULL
0.4
20
1.2
-55~+85℃
-/50
Clockwise
HDCTD50T60G⬇
5.0~6.0
FULL
0.4
20
1.2
-55~+85℃
-/50
Counter Clockwise
7.0~18.0GHz Typical Drop-in Circulator
Product Overview
Here are commonly used products of Drop-in Circulator. This product covers the C~Ku band range with a relative bandwidth of up to 5~10%. Dimensions and frequency bands can be customized based on your requirements.
Model
Frequency(GHz)
BW Max
Insertion loss(dB) Max
Isolation(dB)Min
VSWR Max
operating temperature(℃ )
PK/CW/RP(Watt)
Direction
HDCTC70T180G⬇
7.0~18.0
10%
0.4
20
1.25
-55~+85℃
200/20
Clockwise
HDCTD70T180G⬇
7.0~18.0
10%
0.4
20
1.25
-55~+85℃
200/20
Counter Clockwise
18.0~40.0GHz Typical Drop-in Circulator
Product Overview
Here are commonly used products of Drop-in Circulator. This product covers the K~Ka band range with a relative bandwidth of up to 10%. Dimensions and frequency bands can be customized based on your requirements.
Model
Frequency(GHz)
BW Max
Insertion loss(dB) Max
Isolation(dB)Min
VSWR Max
operating temperature(℃ )
PK/CW/RP(Watt)
Direction
HDCTC180T400G⬇
18.0~40.0
10%
0.6
18
1.35
-55~+85℃
20/5
Clockwise
HDCTD180T400G⬇
18.0~40.0
10%
0.6
18
1.35
-55~+85℃
20/5
Counter Clockwise
About HzBeat
HzBeat is a leading RF component manufacturer specializing in RF circulators and isolators, as a global supplier of RF circulators and isolators (20MHz–200GHz), we providing microstrip, drop-in, coaxial, and waveguide solutions for communication systems, radar, satellite, and medical imaging.
For detailed technical documentation, sample requests, or customization needs, please do not hesitate to contact us. — we respond within 24 hours to ensure you get precise solutions for your design.
Customization & Selection Guide
- Operating Band:Ensure it covers all frequencies required by your system.
- Power Handling Capacity:Select based on your system's transmit power (average and peak), allowing a certain margin.
- Performance Requirements:Define specific requirements for Insertion Loss, Isolation, and VSWR/Return Loss.
- Environmental Conditions:Consider operating temperature range, vibration, humidity, etc.
- Cost & Delivery:Balance cost and project timeline while meeting performance requirements.
Why Choose Our Product
- Profound Technical Expertise:We have over 18 years of R&D experience in ferrite materials and microwave magnetics.
- Fully Automated Production Lines:Ensure consistent excellence and reliability in every unit.
- Professional Application Support:Our engineering team provides timely technical selection, customization, and failure analysis services.
- Competitive Pricing & Lead Times:Economies of scale from mass production enable us to respond quickly to your orders.
Related Products
Questions? Feel Free to Reach Out Via Message.
Tell us frequency band, target IL/Isolation/VSWR, power level and timeline — we’ll match the best topology and deliver S-parameters.We will contact you within 24 hours.
Product Overview
Here are commonly used products of Drop-in Circulator. This product covers the S band range with a relative bandwidth of up to 5~10%. Dimensions and frequency bands can be customized based on your requirements.
| Model | Frequency(GHz) | BW Max | Insertion loss(dB) Max | Isolation(dB)Min | VSWR Max | operating temperature(℃ ) | PK/CW/RP(Watt) | Direction |
|---|---|---|---|---|---|---|---|---|
| HDCTC20T34G⬇ | 2.0~3.4 | 10% | 0.5 | 20 | 1.25 | -55~+85℃ | 200/50 | Clockwise |
| HDCTD20T34G⬇ | 2.0~3.4 | 10% | 0.5 | 20 | 1.25 | -55~+85℃ | 200/50 | Counter Clockwise |
2.6~3.8GHz Typical Drop-in Circulator
Product Overview
Here are commonly used products of Drop-in Circulator. This product covers the S band range with a relative bandwidth of up to 5~10%. Dimensions and frequency bands can be customized based on your requirements.
Model
Frequency(GHz)
BW Max
Insertion loss(dB) Max
Isolation(dB)Min
VSWR Max
operating temperature(℃ )
PK/CW/RP(Watt)
Direction
HDCTC26T38G⬇
2.6~3.8
10%
0.5
20
1.25
-55~+85℃
200/50
Clockwise
HDCTD26T38G⬇
2.6~3.8
10%
0.5
20
1.25
-55~+85℃
200/50
Counter Clockwise
2.5~5.0GHz Typical Drop-in Circulator
Product Overview
Here are commonly used products of Drop-in Circulator. This product covers the S~C band range with a relative bandwidth of up to 5~10%. Dimensions and frequency bands can be customized based on your requirements.
Model
Frequency(GHz)
BW Max
Insertion loss(dB) Max
Isolation(dB)Min
VSWR Max
operating temperature(℃ )
PK/CW/RP(Watt)
Direction
HDCTC25T50G⬇
2.5~5.0
10%
0.4
20
1.25
-55~+85℃
200/50
Clockwise
HDCTD25T50G⬇
2.5~5.0
10%
0.4
20
1.25
-55~+85℃
200/50
Counter Clockwise
4.0~8.0GHz Typical Drop-in Circulator
Product Overview
Here are commonly used products of Drop-in Circulator. This product covers the C band range with a relative bandwidth of up to 5~10%. Dimensions and frequency bands can be customized based on your requirements.
Model
Frequency(GHz)
BW Max
Insertion loss(dB) Max
Isolation(dB)Min
VSWR Max
operating temperature(℃ )
PK/CW/RP(Watt)
Direction
HDCTC40T80G⬇
4.0~8.0
10%
0.4
20
1.25
-55~+85℃
200/50
Clockwise
HDCTD40T80G⬇
4.0~8.0
10%
0.4
20
1.25
-55~+85℃
200/50
Counter Clockwise
5.0~6.0GHz Typical Drop-in Circulator
Product Overview
Here are commonly used products of Drop-in Circulator. This product covers the C band range with a relative bandwidth of up to 18%. Dimensions and frequency bands can be customized based on your requirements.
Model
Frequency(GHz)
BW Max
Insertion loss(dB) Max
Isolation(dB)Min
VSWR Max
operating temperature(℃ )
PK/CW/RP(Watt)
Direction
HDCTC50T60G⬇
5.0~6.0
FULL
0.4
20
1.2
-55~+85℃
-/50
Clockwise
HDCTD50T60G⬇
5.0~6.0
FULL
0.4
20
1.2
-55~+85℃
-/50
Counter Clockwise
7.0~18.0GHz Typical Drop-in Circulator
Product Overview
Here are commonly used products of Drop-in Circulator. This product covers the C~Ku band range with a relative bandwidth of up to 5~10%. Dimensions and frequency bands can be customized based on your requirements.
Model
Frequency(GHz)
BW Max
Insertion loss(dB) Max
Isolation(dB)Min
VSWR Max
operating temperature(℃ )
PK/CW/RP(Watt)
Direction
HDCTC70T180G⬇
7.0~18.0
10%
0.4
20
1.25
-55~+85℃
200/20
Clockwise
HDCTD70T180G⬇
7.0~18.0
10%
0.4
20
1.25
-55~+85℃
200/20
Counter Clockwise
18.0~40.0GHz Typical Drop-in Circulator
Product Overview
Here are commonly used products of Drop-in Circulator. This product covers the K~Ka band range with a relative bandwidth of up to 10%. Dimensions and frequency bands can be customized based on your requirements.
Model
Frequency(GHz)
BW Max
Insertion loss(dB) Max
Isolation(dB)Min
VSWR Max
operating temperature(℃ )
PK/CW/RP(Watt)
Direction
HDCTC180T400G⬇
18.0~40.0
10%
0.6
18
1.35
-55~+85℃
20/5
Clockwise
HDCTD180T400G⬇
18.0~40.0
10%
0.6
18
1.35
-55~+85℃
20/5
Counter Clockwise
About HzBeat
HzBeat is a leading RF component manufacturer specializing in RF circulators and isolators, as a global supplier of RF circulators and isolators (20MHz–200GHz), we providing microstrip, drop-in, coaxial, and waveguide solutions for communication systems, radar, satellite, and medical imaging.
For detailed technical documentation, sample requests, or customization needs, please do not hesitate to contact us. — we respond within 24 hours to ensure you get precise solutions for your design.
Customization & Selection Guide
- Operating Band:Ensure it covers all frequencies required by your system.
- Power Handling Capacity:Select based on your system's transmit power (average and peak), allowing a certain margin.
- Performance Requirements:Define specific requirements for Insertion Loss, Isolation, and VSWR/Return Loss.
- Environmental Conditions:Consider operating temperature range, vibration, humidity, etc.
- Cost & Delivery:Balance cost and project timeline while meeting performance requirements.
Why Choose Our Product
- Profound Technical Expertise:We have over 18 years of R&D experience in ferrite materials and microwave magnetics.
- Fully Automated Production Lines:Ensure consistent excellence and reliability in every unit.
- Professional Application Support:Our engineering team provides timely technical selection, customization, and failure analysis services.
- Competitive Pricing & Lead Times:Economies of scale from mass production enable us to respond quickly to your orders.
Related Products
Questions? Feel Free to Reach Out Via Message.
Tell us frequency band, target IL/Isolation/VSWR, power level and timeline — we’ll match the best topology and deliver S-parameters.We will contact you within 24 hours.
Product Overview
Here are commonly used products of Drop-in Circulator. This product covers the S band range with a relative bandwidth of up to 5~10%. Dimensions and frequency bands can be customized based on your requirements.
| Model | Frequency(GHz) | BW Max | Insertion loss(dB) Max | Isolation(dB)Min | VSWR Max | operating temperature(℃ ) | PK/CW/RP(Watt) | Direction |
|---|---|---|---|---|---|---|---|---|
| HDCTC26T38G⬇ | 2.6~3.8 | 10% | 0.5 | 20 | 1.25 | -55~+85℃ | 200/50 | Clockwise |
| HDCTD26T38G⬇ | 2.6~3.8 | 10% | 0.5 | 20 | 1.25 | -55~+85℃ | 200/50 | Counter Clockwise |
2.5~5.0GHz Typical Drop-in Circulator
Product Overview
Here are commonly used products of Drop-in Circulator. This product covers the S~C band range with a relative bandwidth of up to 5~10%. Dimensions and frequency bands can be customized based on your requirements.
Model
Frequency(GHz)
BW Max
Insertion loss(dB) Max
Isolation(dB)Min
VSWR Max
operating temperature(℃ )
PK/CW/RP(Watt)
Direction
HDCTC25T50G⬇
2.5~5.0
10%
0.4
20
1.25
-55~+85℃
200/50
Clockwise
HDCTD25T50G⬇
2.5~5.0
10%
0.4
20
1.25
-55~+85℃
200/50
Counter Clockwise
4.0~8.0GHz Typical Drop-in Circulator
Product Overview
Here are commonly used products of Drop-in Circulator. This product covers the C band range with a relative bandwidth of up to 5~10%. Dimensions and frequency bands can be customized based on your requirements.
Model
Frequency(GHz)
BW Max
Insertion loss(dB) Max
Isolation(dB)Min
VSWR Max
operating temperature(℃ )
PK/CW/RP(Watt)
Direction
HDCTC40T80G⬇
4.0~8.0
10%
0.4
20
1.25
-55~+85℃
200/50
Clockwise
HDCTD40T80G⬇
4.0~8.0
10%
0.4
20
1.25
-55~+85℃
200/50
Counter Clockwise
5.0~6.0GHz Typical Drop-in Circulator
Product Overview
Here are commonly used products of Drop-in Circulator. This product covers the C band range with a relative bandwidth of up to 18%. Dimensions and frequency bands can be customized based on your requirements.
Model
Frequency(GHz)
BW Max
Insertion loss(dB) Max
Isolation(dB)Min
VSWR Max
operating temperature(℃ )
PK/CW/RP(Watt)
Direction
HDCTC50T60G⬇
5.0~6.0
FULL
0.4
20
1.2
-55~+85℃
-/50
Clockwise
HDCTD50T60G⬇
5.0~6.0
FULL
0.4
20
1.2
-55~+85℃
-/50
Counter Clockwise
7.0~18.0GHz Typical Drop-in Circulator
Product Overview
Here are commonly used products of Drop-in Circulator. This product covers the C~Ku band range with a relative bandwidth of up to 5~10%. Dimensions and frequency bands can be customized based on your requirements.
Model
Frequency(GHz)
BW Max
Insertion loss(dB) Max
Isolation(dB)Min
VSWR Max
operating temperature(℃ )
PK/CW/RP(Watt)
Direction
HDCTC70T180G⬇
7.0~18.0
10%
0.4
20
1.25
-55~+85℃
200/20
Clockwise
HDCTD70T180G⬇
7.0~18.0
10%
0.4
20
1.25
-55~+85℃
200/20
Counter Clockwise
18.0~40.0GHz Typical Drop-in Circulator
Product Overview
Here are commonly used products of Drop-in Circulator. This product covers the K~Ka band range with a relative bandwidth of up to 10%. Dimensions and frequency bands can be customized based on your requirements.
Model
Frequency(GHz)
BW Max
Insertion loss(dB) Max
Isolation(dB)Min
VSWR Max
operating temperature(℃ )
PK/CW/RP(Watt)
Direction
HDCTC180T400G⬇
18.0~40.0
10%
0.6
18
1.35
-55~+85℃
20/5
Clockwise
HDCTD180T400G⬇
18.0~40.0
10%
0.6
18
1.35
-55~+85℃
20/5
Counter Clockwise
About HzBeat
HzBeat is a leading RF component manufacturer specializing in RF circulators and isolators, as a global supplier of RF circulators and isolators (20MHz–200GHz), we providing microstrip, drop-in, coaxial, and waveguide solutions for communication systems, radar, satellite, and medical imaging.
For detailed technical documentation, sample requests, or customization needs, please do not hesitate to contact us. — we respond within 24 hours to ensure you get precise solutions for your design.
Customization & Selection Guide
- Operating Band:Ensure it covers all frequencies required by your system.
- Power Handling Capacity:Select based on your system's transmit power (average and peak), allowing a certain margin.
- Performance Requirements:Define specific requirements for Insertion Loss, Isolation, and VSWR/Return Loss.
- Environmental Conditions:Consider operating temperature range, vibration, humidity, etc.
- Cost & Delivery:Balance cost and project timeline while meeting performance requirements.
Why Choose Our Product
- Profound Technical Expertise:We have over 18 years of R&D experience in ferrite materials and microwave magnetics.
- Fully Automated Production Lines:Ensure consistent excellence and reliability in every unit.
- Professional Application Support:Our engineering team provides timely technical selection, customization, and failure analysis services.
- Competitive Pricing & Lead Times:Economies of scale from mass production enable us to respond quickly to your orders.
Related Products
Questions? Feel Free to Reach Out Via Message.
Tell us frequency band, target IL/Isolation/VSWR, power level and timeline — we’ll match the best topology and deliver S-parameters.We will contact you within 24 hours.
Product Overview
Here are commonly used products of Drop-in Circulator. This product covers the S~C band range with a relative bandwidth of up to 5~10%. Dimensions and frequency bands can be customized based on your requirements.
| Model | Frequency(GHz) | BW Max | Insertion loss(dB) Max | Isolation(dB)Min | VSWR Max | operating temperature(℃ ) | PK/CW/RP(Watt) | Direction |
|---|---|---|---|---|---|---|---|---|
| HDCTC25T50G⬇ | 2.5~5.0 | 10% | 0.4 | 20 | 1.25 | -55~+85℃ | 200/50 | Clockwise |
| HDCTD25T50G⬇ | 2.5~5.0 | 10% | 0.4 | 20 | 1.25 | -55~+85℃ | 200/50 | Counter Clockwise |
4.0~8.0GHz Typical Drop-in Circulator
Product Overview
Here are commonly used products of Drop-in Circulator. This product covers the C band range with a relative bandwidth of up to 5~10%. Dimensions and frequency bands can be customized based on your requirements.
Model
Frequency(GHz)
BW Max
Insertion loss(dB) Max
Isolation(dB)Min
VSWR Max
operating temperature(℃ )
PK/CW/RP(Watt)
Direction
HDCTC40T80G⬇
4.0~8.0
10%
0.4
20
1.25
-55~+85℃
200/50
Clockwise
HDCTD40T80G⬇
4.0~8.0
10%
0.4
20
1.25
-55~+85℃
200/50
Counter Clockwise
5.0~6.0GHz Typical Drop-in Circulator
Product Overview
Here are commonly used products of Drop-in Circulator. This product covers the C band range with a relative bandwidth of up to 18%. Dimensions and frequency bands can be customized based on your requirements.
Model
Frequency(GHz)
BW Max
Insertion loss(dB) Max
Isolation(dB)Min
VSWR Max
operating temperature(℃ )
PK/CW/RP(Watt)
Direction
HDCTC50T60G⬇
5.0~6.0
FULL
0.4
20
1.2
-55~+85℃
-/50
Clockwise
HDCTD50T60G⬇
5.0~6.0
FULL
0.4
20
1.2
-55~+85℃
-/50
Counter Clockwise
7.0~18.0GHz Typical Drop-in Circulator
Product Overview
Here are commonly used products of Drop-in Circulator. This product covers the C~Ku band range with a relative bandwidth of up to 5~10%. Dimensions and frequency bands can be customized based on your requirements.
Model
Frequency(GHz)
BW Max
Insertion loss(dB) Max
Isolation(dB)Min
VSWR Max
operating temperature(℃ )
PK/CW/RP(Watt)
Direction
HDCTC70T180G⬇
7.0~18.0
10%
0.4
20
1.25
-55~+85℃
200/20
Clockwise
HDCTD70T180G⬇
7.0~18.0
10%
0.4
20
1.25
-55~+85℃
200/20
Counter Clockwise
18.0~40.0GHz Typical Drop-in Circulator
Product Overview
Here are commonly used products of Drop-in Circulator. This product covers the K~Ka band range with a relative bandwidth of up to 10%. Dimensions and frequency bands can be customized based on your requirements.
Model
Frequency(GHz)
BW Max
Insertion loss(dB) Max
Isolation(dB)Min
VSWR Max
operating temperature(℃ )
PK/CW/RP(Watt)
Direction
HDCTC180T400G⬇
18.0~40.0
10%
0.6
18
1.35
-55~+85℃
20/5
Clockwise
HDCTD180T400G⬇
18.0~40.0
10%
0.6
18
1.35
-55~+85℃
20/5
Counter Clockwise
About HzBeat
HzBeat is a leading RF component manufacturer specializing in RF circulators and isolators, as a global supplier of RF circulators and isolators (20MHz–200GHz), we providing microstrip, drop-in, coaxial, and waveguide solutions for communication systems, radar, satellite, and medical imaging.
For detailed technical documentation, sample requests, or customization needs, please do not hesitate to contact us. — we respond within 24 hours to ensure you get precise solutions for your design.
Customization & Selection Guide
- Operating Band:Ensure it covers all frequencies required by your system.
- Power Handling Capacity:Select based on your system's transmit power (average and peak), allowing a certain margin.
- Performance Requirements:Define specific requirements for Insertion Loss, Isolation, and VSWR/Return Loss.
- Environmental Conditions:Consider operating temperature range, vibration, humidity, etc.
- Cost & Delivery:Balance cost and project timeline while meeting performance requirements.
Why Choose Our Product
- Profound Technical Expertise:We have over 18 years of R&D experience in ferrite materials and microwave magnetics.
- Fully Automated Production Lines:Ensure consistent excellence and reliability in every unit.
- Professional Application Support:Our engineering team provides timely technical selection, customization, and failure analysis services.
- Competitive Pricing & Lead Times:Economies of scale from mass production enable us to respond quickly to your orders.
Related Products
Questions? Feel Free to Reach Out Via Message.
Tell us frequency band, target IL/Isolation/VSWR, power level and timeline — we’ll match the best topology and deliver S-parameters.We will contact you within 24 hours.
Product Overview
Here are commonly used products of Drop-in Circulator. This product covers the C band range with a relative bandwidth of up to 5~10%. Dimensions and frequency bands can be customized based on your requirements.
| Model | Frequency(GHz) | BW Max | Insertion loss(dB) Max | Isolation(dB)Min | VSWR Max | operating temperature(℃ ) | PK/CW/RP(Watt) | Direction |
|---|---|---|---|---|---|---|---|---|
| HDCTC40T80G⬇ | 4.0~8.0 | 10% | 0.4 | 20 | 1.25 | -55~+85℃ | 200/50 | Clockwise |
| HDCTD40T80G⬇ | 4.0~8.0 | 10% | 0.4 | 20 | 1.25 | -55~+85℃ | 200/50 | Counter Clockwise |
5.0~6.0GHz Typical Drop-in Circulator
Product Overview
Here are commonly used products of Drop-in Circulator. This product covers the C band range with a relative bandwidth of up to 18%. Dimensions and frequency bands can be customized based on your requirements.
Model
Frequency(GHz)
BW Max
Insertion loss(dB) Max
Isolation(dB)Min
VSWR Max
operating temperature(℃ )
PK/CW/RP(Watt)
Direction
HDCTC50T60G⬇
5.0~6.0
FULL
0.4
20
1.2
-55~+85℃
-/50
Clockwise
HDCTD50T60G⬇
5.0~6.0
FULL
0.4
20
1.2
-55~+85℃
-/50
Counter Clockwise
7.0~18.0GHz Typical Drop-in Circulator
Product Overview
Here are commonly used products of Drop-in Circulator. This product covers the C~Ku band range with a relative bandwidth of up to 5~10%. Dimensions and frequency bands can be customized based on your requirements.
Model
Frequency(GHz)
BW Max
Insertion loss(dB) Max
Isolation(dB)Min
VSWR Max
operating temperature(℃ )
PK/CW/RP(Watt)
Direction
HDCTC70T180G⬇
7.0~18.0
10%
0.4
20
1.25
-55~+85℃
200/20
Clockwise
HDCTD70T180G⬇
7.0~18.0
10%
0.4
20
1.25
-55~+85℃
200/20
Counter Clockwise
18.0~40.0GHz Typical Drop-in Circulator
Product Overview
Here are commonly used products of Drop-in Circulator. This product covers the K~Ka band range with a relative bandwidth of up to 10%. Dimensions and frequency bands can be customized based on your requirements.
Model
Frequency(GHz)
BW Max
Insertion loss(dB) Max
Isolation(dB)Min
VSWR Max
operating temperature(℃ )
PK/CW/RP(Watt)
Direction
HDCTC180T400G⬇
18.0~40.0
10%
0.6
18
1.35
-55~+85℃
20/5
Clockwise
HDCTD180T400G⬇
18.0~40.0
10%
0.6
18
1.35
-55~+85℃
20/5
Counter Clockwise
About HzBeat
HzBeat is a leading RF component manufacturer specializing in RF circulators and isolators, as a global supplier of RF circulators and isolators (20MHz–200GHz), we providing microstrip, drop-in, coaxial, and waveguide solutions for communication systems, radar, satellite, and medical imaging.
For detailed technical documentation, sample requests, or customization needs, please do not hesitate to contact us. — we respond within 24 hours to ensure you get precise solutions for your design.
Customization & Selection Guide
- Operating Band:Ensure it covers all frequencies required by your system.
- Power Handling Capacity:Select based on your system's transmit power (average and peak), allowing a certain margin.
- Performance Requirements:Define specific requirements for Insertion Loss, Isolation, and VSWR/Return Loss.
- Environmental Conditions:Consider operating temperature range, vibration, humidity, etc.
- Cost & Delivery:Balance cost and project timeline while meeting performance requirements.
Why Choose Our Product
- Profound Technical Expertise:We have over 18 years of R&D experience in ferrite materials and microwave magnetics.
- Fully Automated Production Lines:Ensure consistent excellence and reliability in every unit.
- Professional Application Support:Our engineering team provides timely technical selection, customization, and failure analysis services.
- Competitive Pricing & Lead Times:Economies of scale from mass production enable us to respond quickly to your orders.
Related Products
Questions? Feel Free to Reach Out Via Message.
Tell us frequency band, target IL/Isolation/VSWR, power level and timeline — we’ll match the best topology and deliver S-parameters.We will contact you within 24 hours.
Product Overview
Here are commonly used products of Drop-in Circulator. This product covers the C band range with a relative bandwidth of up to 18%. Dimensions and frequency bands can be customized based on your requirements.
| Model | Frequency(GHz) | BW Max | Insertion loss(dB) Max | Isolation(dB)Min | VSWR Max | operating temperature(℃ ) | PK/CW/RP(Watt) | Direction |
|---|---|---|---|---|---|---|---|---|
| HDCTC50T60G⬇ | 5.0~6.0 | FULL | 0.4 | 20 | 1.2 | -55~+85℃ | -/50 | Clockwise |
| HDCTD50T60G⬇ | 5.0~6.0 | FULL | 0.4 | 20 | 1.2 | -55~+85℃ | -/50 | Counter Clockwise |
7.0~18.0GHz Typical Drop-in Circulator
Product Overview
Here are commonly used products of Drop-in Circulator. This product covers the C~Ku band range with a relative bandwidth of up to 5~10%. Dimensions and frequency bands can be customized based on your requirements.
Model
Frequency(GHz)
BW Max
Insertion loss(dB) Max
Isolation(dB)Min
VSWR Max
operating temperature(℃ )
PK/CW/RP(Watt)
Direction
HDCTC70T180G⬇
7.0~18.0
10%
0.4
20
1.25
-55~+85℃
200/20
Clockwise
HDCTD70T180G⬇
7.0~18.0
10%
0.4
20
1.25
-55~+85℃
200/20
Counter Clockwise
18.0~40.0GHz Typical Drop-in Circulator
Product Overview
Here are commonly used products of Drop-in Circulator. This product covers the K~Ka band range with a relative bandwidth of up to 10%. Dimensions and frequency bands can be customized based on your requirements.
Model
Frequency(GHz)
BW Max
Insertion loss(dB) Max
Isolation(dB)Min
VSWR Max
operating temperature(℃ )
PK/CW/RP(Watt)
Direction
HDCTC180T400G⬇
18.0~40.0
10%
0.6
18
1.35
-55~+85℃
20/5
Clockwise
HDCTD180T400G⬇
18.0~40.0
10%
0.6
18
1.35
-55~+85℃
20/5
Counter Clockwise
About HzBeat
HzBeat is a leading RF component manufacturer specializing in RF circulators and isolators, as a global supplier of RF circulators and isolators (20MHz–200GHz), we providing microstrip, drop-in, coaxial, and waveguide solutions for communication systems, radar, satellite, and medical imaging.
For detailed technical documentation, sample requests, or customization needs, please do not hesitate to contact us. — we respond within 24 hours to ensure you get precise solutions for your design.
Customization & Selection Guide
- Operating Band:Ensure it covers all frequencies required by your system.
- Power Handling Capacity:Select based on your system's transmit power (average and peak), allowing a certain margin.
- Performance Requirements:Define specific requirements for Insertion Loss, Isolation, and VSWR/Return Loss.
- Environmental Conditions:Consider operating temperature range, vibration, humidity, etc.
- Cost & Delivery:Balance cost and project timeline while meeting performance requirements.
Why Choose Our Product
- Profound Technical Expertise:We have over 18 years of R&D experience in ferrite materials and microwave magnetics.
- Fully Automated Production Lines:Ensure consistent excellence and reliability in every unit.
- Professional Application Support:Our engineering team provides timely technical selection, customization, and failure analysis services.
- Competitive Pricing & Lead Times:Economies of scale from mass production enable us to respond quickly to your orders.
Related Products
Questions? Feel Free to Reach Out Via Message.
Tell us frequency band, target IL/Isolation/VSWR, power level and timeline — we’ll match the best topology and deliver S-parameters.We will contact you within 24 hours.
Product Overview
Here are commonly used products of Drop-in Circulator. This product covers the C~Ku band range with a relative bandwidth of up to 5~10%. Dimensions and frequency bands can be customized based on your requirements.
| Model | Frequency(GHz) | BW Max | Insertion loss(dB) Max | Isolation(dB)Min | VSWR Max | operating temperature(℃ ) | PK/CW/RP(Watt) | Direction |
|---|---|---|---|---|---|---|---|---|
| HDCTC70T180G⬇ | 7.0~18.0 | 10% | 0.4 | 20 | 1.25 | -55~+85℃ | 200/20 | Clockwise |
| HDCTD70T180G⬇ | 7.0~18.0 | 10% | 0.4 | 20 | 1.25 | -55~+85℃ | 200/20 | Counter Clockwise |
18.0~40.0GHz Typical Drop-in Circulator
Product Overview
Here are commonly used products of Drop-in Circulator. This product covers the K~Ka band range with a relative bandwidth of up to 10%. Dimensions and frequency bands can be customized based on your requirements.
Model
Frequency(GHz)
BW Max
Insertion loss(dB) Max
Isolation(dB)Min
VSWR Max
operating temperature(℃ )
PK/CW/RP(Watt)
Direction
HDCTC180T400G⬇
18.0~40.0
10%
0.6
18
1.35
-55~+85℃
20/5
Clockwise
HDCTD180T400G⬇
18.0~40.0
10%
0.6
18
1.35
-55~+85℃
20/5
Counter Clockwise
About HzBeat
HzBeat is a leading RF component manufacturer specializing in RF circulators and isolators, as a global supplier of RF circulators and isolators (20MHz–200GHz), we providing microstrip, drop-in, coaxial, and waveguide solutions for communication systems, radar, satellite, and medical imaging.
For detailed technical documentation, sample requests, or customization needs, please do not hesitate to contact us. — we respond within 24 hours to ensure you get precise solutions for your design.
Customization & Selection Guide
- Operating Band:Ensure it covers all frequencies required by your system.
- Power Handling Capacity:Select based on your system's transmit power (average and peak), allowing a certain margin.
- Performance Requirements:Define specific requirements for Insertion Loss, Isolation, and VSWR/Return Loss.
- Environmental Conditions:Consider operating temperature range, vibration, humidity, etc.
- Cost & Delivery:Balance cost and project timeline while meeting performance requirements.
Why Choose Our Product
- Profound Technical Expertise:We have over 18 years of R&D experience in ferrite materials and microwave magnetics.
- Fully Automated Production Lines:Ensure consistent excellence and reliability in every unit.
- Professional Application Support:Our engineering team provides timely technical selection, customization, and failure analysis services.
- Competitive Pricing & Lead Times:Economies of scale from mass production enable us to respond quickly to your orders.
Related Products
Questions? Feel Free to Reach Out Via Message.
Tell us frequency band, target IL/Isolation/VSWR, power level and timeline — we’ll match the best topology and deliver S-parameters.We will contact you within 24 hours.
Product Overview
Here are commonly used products of Drop-in Circulator. This product covers the K~Ka band range with a relative bandwidth of up to 10%. Dimensions and frequency bands can be customized based on your requirements.
| Model | Frequency(GHz) | BW Max | Insertion loss(dB) Max | Isolation(dB)Min | VSWR Max | operating temperature(℃ ) | PK/CW/RP(Watt) | Direction |
|---|---|---|---|---|---|---|---|---|
| HDCTC180T400G⬇ | 18.0~40.0 | 10% | 0.6 | 18 | 1.35 | -55~+85℃ | 20/5 | Clockwise |
| HDCTD180T400G⬇ | 18.0~40.0 | 10% | 0.6 | 18 | 1.35 | -55~+85℃ | 20/5 | Counter Clockwise |
About HzBeat
HzBeat is a leading RF component manufacturer specializing in RF circulators and isolators, as a global supplier of RF circulators and isolators (20MHz–200GHz), we providing microstrip, drop-in, coaxial, and waveguide solutions for communication systems, radar, satellite, and medical imaging.
For detailed technical documentation, sample requests, or customization needs, please do not hesitate to contact us. — we respond within 24 hours to ensure you get precise solutions for your design.
Customization & Selection Guide
- Operating Band:Ensure it covers all frequencies required by your system.
- Power Handling Capacity:Select based on your system's transmit power (average and peak), allowing a certain margin.
- Performance Requirements:Define specific requirements for Insertion Loss, Isolation, and VSWR/Return Loss.
- Environmental Conditions:Consider operating temperature range, vibration, humidity, etc.
- Cost & Delivery:Balance cost and project timeline while meeting performance requirements.
Why Choose Our Product
- Profound Technical Expertise:We have over 18 years of R&D experience in ferrite materials and microwave magnetics.
- Fully Automated Production Lines:Ensure consistent excellence and reliability in every unit.
- Professional Application Support:Our engineering team provides timely technical selection, customization, and failure analysis services.
- Competitive Pricing & Lead Times:Economies of scale from mass production enable us to respond quickly to your orders.